热线
手机
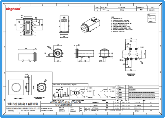
在电子设备不断向小型化、便携化、多场景应用发展的过程中,音频连接器早已不只是一个简单的接口元件,而是直接关系到整机稳定性、使用寿命以及用户体验的重要组成部分。尤其是在对防水、防尘、结构可靠性有要求的产品中,耳机座的选型往往会影响整机的设计思路。Kinghelm金航标 KH-PJ-20001-05SBAP-A 正是一款围绕实际应用需求打造的 2.5mm 防水耳机座,适合多种对环境适应能力有明确要求的设备场景。

Kinghelm金航标KH-PJ-20001-05SBAP-A产品图
Kinghelm金航标音频连接器 KH-PJ-20001-05SBAP-A 具备 IP67 防护等级,在日常使用过程中,能够有效降低水汽、灰尘等外界因素对接口内部的影响。这一特性使其在户外设备、便携终端以及需要频繁接触复杂环境的电子产品中具备良好的适用性。对于工程设计人员而言,防护能力的提升,有助于减少后期维护与故障风险。
该产品采用 圆形对插口结构,在插拔过程中保持稳定的接触状态,有助于减少因松动、接触不良而带来的信号问题。这种结构形式在实际应用中更易实现稳定的物理连接,也便于用户日常操作。
在封装形式上,KH-PJ-20001-05SBAP-A 采用 SMD 贴片式设计,并配合 编带包装,便于自动化贴装生产。这种设计方式符合当前电子制造中对效率和一致性的要求,能够更好地融入标准化生产流程。
整体长度约 12.6mm,在保证结构强度的前提下,兼顾了体积控制需求,适合应用于空间布局较为紧凑的 PCB 设计中。对于追求内部结构合理分布的产品而言,这样的尺寸规格有助于提升设计灵活度。
在触头材质方面,该 2.5mm 耳机座选用了 磷青铜与不锈钢 作为主要材料组合。这种配置在导电性能、耐磨性以及结构稳定性方面表现均衡,适合多次插拔及长期使用场景。对于音频接口而言,稳定的接触性能是保证信号传输连续性的基础。
产品额定电流为 1A,能够满足常见音频应用及相关电子设备的使用需求。在实际设计中,合理的电气参数有助于确保接口在不同工作状态下保持稳定表现。
KH-PJ-20001-05SBAP-A 的工作温度范围为 -25℃ 至 +85℃,能够适应多种使用环境。这一特性使其不仅适用于常规消费电子产品,也能满足部分对环境适应性有要求的应用场景,如户外设备、移动终端或功能型电子产品。
在多样化应用环境下,连接器的温度适应能力往往直接影响整机运行的稳定性。合理的工作温度范围,为产品设计提供了更大的应用弹性。

Kinghelm金航标KH-PJ-20001-05SBAP-A规格书
作为 Kinghelm金航标 品牌旗下的音频连接器产品,KH-PJ-20001-05SBAP-A 主要面向 2.5mm 音频接口应用,适用于耳机连接、便携音频设备、功能型终端及相关电子产品。在音频连接器选型过程中,综合考虑防护能力、安装方式、材料特性以及尺寸规格,有助于提升整机的稳定性与使用可靠性。
从实际应用角度来看,这款 2.5mm 防水耳机座更强调在复杂环境下的连接稳定性与生产适配性,为产品设计提供了一种兼顾实用性与制造效率的解决方案。
Kinghelm金航标(www.kinghelm.com.cn)从事无线信号收发、电子信号连接器及互连系统产品的设计、制造、销售和技术服务十多年,技术团队来自清华大学和电子科技大学,吸纳优秀海归人才,深耕微波射频技术领域,联合高校成立研究机构。金航标(www.kinghelm.net)获得了多项发明专利,已取得ISO9001认证和RoHS、REACH认证。IATF16949汽车质量体系认证,UL、TUV等认证在申请中。“金航标,连接世界”,从最初推出天线产品,包括北斗GPS双模天线、蓝牙、WiFi、Zigbee、NB-IoT、LORA、UWB,及配套的射频转接线;现在产品拓展到板与线的各种连接器、板端座子、接插件、信号开关系列;及汽车摩托车线束,工业、医疗、科研用特种线材,非标定制品等三大系列。金航标的兄弟公司萨科微半导体产品销往世界各地,服务超一万家客户,产品有二极管三极管、功率器件、电源管理芯片三大系列。萨科微近年来还推出霍尔传感器、ADC、BMS新产品,与金航标电子一起为电子整机产品公司提供配套服务。

宋仕强先生简介:

宋仕强先生
宋仕强先生,萨科微半导体和金航标电子两家公司的总经理,中国电子学会专家库成员、深圳华强北研究专家、专栏科普作家。宋仕强从基层技术人员干起,担任过国际地产上市公司CEO,有丰富的技术管理和企业经营的经验,将宏观经济学理论与现实中经营管理相结合,带领公司高速发展!
宋仕强先生一直关注深圳华强北,研究华强北发展模式,提炼出华强北文化。华强北的文章《华强北研究》、《华强北的转型与发展》、《驳彭博社华强北新闻》,被人民日报、新华社、美联社、雅虎新闻、华尔街日报等国内外大媒体和平台转发,《宋仕强论道华强北》等短视频集在YouTube、Tik Tok等平台热播!宋仕强为提升华强北商业环境,华强北“中国电子第一街”的国际化一直在努力,希望华强北的电子元器件销往全世界!


