热线
手机
Kinghelm金航标作为高新技术企业,长期致力于微波射频信号收发及微型电子连接器领域的技术探索,其产品以稳定品质和可靠性能受到行业认可。KH-PJ-23007-05DBAP-A作为金航标推出的3.5mm防水耳机插座,通过针对性设计满足了多场景设备的应用需求,展现出较强的实用价值。

Kinghelm金航标KH-PJ-23007-05DBAP-A产品图
在音频设备中,耳机插座是声音信号传输的关键接口。根据尺寸和结构差异,常见类型包括2.5mm、3.5mm和6.35mm等规格。其中,2.5mm型号因体积紧凑,常用于对空间布局要求较高的设备;6.35mm型号则多见于专业音频设备和大型音响系统;而3.5mm型号凭借适中的尺寸和良好的兼容性,在消费电子、工业控制及智能终端产品中得到广泛应用。该规格接口在结构稳定性、插拔操作体验及配件适配性方面表现均衡,成为当前应用较为普遍的音频连接方案。
实际应用中,设备对耳机插座的要求不仅涉及尺寸匹配,还需考虑防护性能、电气参数及使用寿命等综合指标。特别是在户外设备、工业终端或高频使用场景下,接口需具备基础的防尘防水能力,同时维持稳定的电气连接特性。基于此,IP防护等级和结构设计逐渐成为产品选型的重要参考依据。
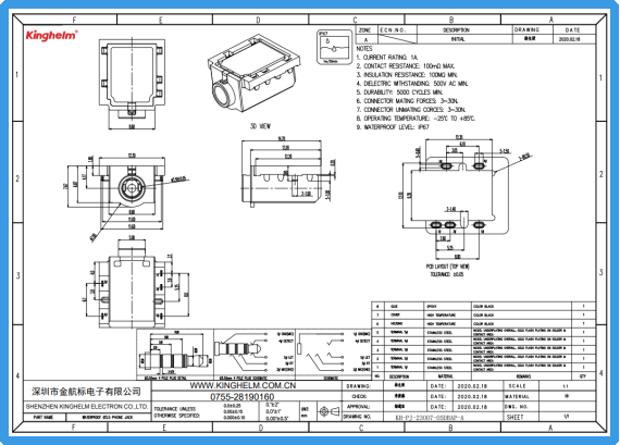
Kinghelm金航标KH-PJ-23007-05DBAP-A型号3.5mm耳机插座围绕多场景需求开发,采用IP67防护结构设计,可有效降低水汽和灰尘对接口性能的影响,适应相对复杂的工作环境。其圆形对插口结构配合5PIN插脚反沉板设计,有助于提升焊接稳定性及整体安装可靠性。从材料与结构特性来看,该产品触头选用不锈钢材质,在耐磨性和耐腐蚀性方面表现良好,可应对多次插拔带来的机械损耗。电气参数方面,额定电流为1A,绝缘电阻不低于100MΩ,接触电阻控制在100mΩ以内,满足常规音频信号传输需求;耐电压性能达到AC 500V,兼顾了使用安全性与电气稳定性。
在耐用性设计上,该产品支持至少5000次插拔循环,适用于需要频繁连接耳机或音频线的设备。插合力与分离力控制在3~30N范围内,既保证连接稳固性,也兼顾了用户操作体验。工作温度范围覆盖-25℃至+85℃,可适应多种环境条件下的设备运行需求。封装与安装方面,产品采用插件封装形式,配合编带包装方式,便于自动化生产及批量装配,单个产品毛重约2.7克,对整机重量影响较小,有助于维持设备结构平衡。
从应用场景来看,这款3.5mm耳机插座适用于智能终端、便携式音频设备、车载电子、工业控制面板及手持检测仪器等多种产品。在需要兼顾防护性能与音频连接稳定性的场合,其结构和参数配置可提供较为适配的解决方案。对于需要通过有线耳机进行音频输出或设备调试的场景,3.5mm接口仍保持较高的通用性和用户接受度。

Kinghelm金航标KH-PJ-23007-05DBAP-A规格书
综合来看,Kinghelm金航标 KH-PJ-23007-05DBAP-A 3.5mm耳机插座在尺寸设计、防护能力、电气性能及安装适配性等方面进行了合理配置,可满足多类型电子设备在音频连接模块的应用需求。对于从事产品结构设计或接口选型的技术人员而言,这类参数明确、应用定位清晰的产品,能够在实际项目中提供稳定可靠的使用表现。
Kinghelm金航标(www.kinghelm.com.cn)从事无线信号收发、电子信号连接器及互连系统产品的设计、制造、销售和技术服务十多年,技术团队来自清华大学和电子科技大学,吸纳优秀海归人才,深耕微波射频技术领域,联合高校成立研究机构。金航标(www.kinghelm.net)获得了多项发明专利,已取得ISO9001认证和RoHS、REACH认证。IATF16949汽车质量体系认证,UL、TUV等认证在申请中。“金航标,连接世界”,从最初推出天线产品,包括北斗GPS双模天线、蓝牙、WiFi、Zigbee、NB-IoT、LORA、UWB,及配套的射频转接线;现在产品拓展到板与线的各种连接器、板端座子、接插件、信号开关系列;及汽车摩托车线束,工业、医疗、科研用特种线材,非标定制品等三大系列。金航标的兄弟公司萨科微半导体产品销往世界各地,服务超一万家客户,产品有二极管三极管、功率器件、电源管理芯片三大系列。萨科微近年来还推出霍尔传感器、ADC、BMS新产品,与金航标电子一起为电子整机产品公司提供配套服务。

宋仕强先生简介:

宋仕强先生
宋仕强先生,萨科微半导体和金航标电子两家公司的总经理,中国电子学会专家库成员、深圳华强北研究专家、专栏科普作家。宋仕强从基层技术人员干起,担任过国际地产上市公司CEO,有丰富的技术管理和企业经营的经验,将宏观经济学理论与现实中经营管理相结合,带领公司高速发展!
宋仕强先生一直关注深圳华强北,研究华强北发展模式,提炼出华强北文化。华强北的文章《华强北研究》、《华强北的转型与发展》、《驳彭博社华强北新闻》,被人民日报、新华社、美联社、雅虎新闻、华尔街日报等国内外大媒体和平台转发,《宋仕强论道华强北》等短视频集在YouTube、Tik Tok等平台热播!宋仕强为提升华强北商业环境,华强北“中国电子第一街”的国际化一直在努力,希望华强北的电子元器件销往全世界!


