服务热线
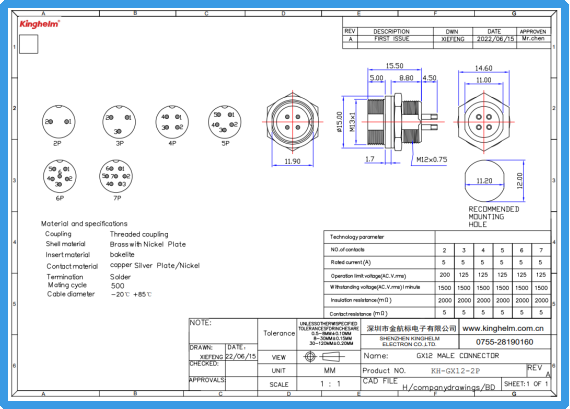
每日一品——Kinghelm金航标航空接头KH-GX12-2P:以可靠连接赋能工业场景
2026-02-27
52
相关推荐
Kinghelm金航标布线快速连接式接线端子KH-TPCT-218:面向高效布线与稳定传输的结构设计
2025-11-27
137
Kinghelm金航标射频连接器KH-SMAK-PBS:细节决定信号强弱
2025-12-05
157






粤公网安备44030002007346号