服务热线
在无线通信、测试测量或网络设备中,稳定的信号传输常常是确保性能的关键因素。许多用户在连接不同接口的设备时,可能会遇到信号损耗、干扰或连接不稳定的问题,这不仅影响效率,还可能带来不必要的麻烦。今天,我们将聚焦一款常见的RF转接线——SMA/MCX镀金转接线,通过解析其设计参数和特性,帮助您了解这类配件如何在实际应用中提升连接可靠性。从镀金处理到线材选择,每一个细节都可能对信号质量产生微妙影响。无论您是技术人员还是爱好者,这篇文章都将以通俗易懂的方式,为您揭开高性能转接线的奥秘,助您在选购和使用中做出更明智的决策。

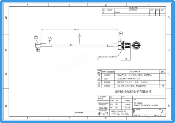
Kinghelm金航标KHB(RG316)-MCX-80-28产品图
一、RF转接线的基础知识与应用场景
RF转接线,也称为射频转接线,主要用于连接不同接口的射频设备,如天线、模块或测试仪器。在无线通信、广播电视、医疗设备乃至家庭网络中,这类转接线扮演着桥梁角色,确保信号在不同组件间顺畅传递。常见的接口类型包括SMA和MCX,它们因尺寸、频率范围和适用环境而异。SMA接口通常用于高频应用,如Wi-Fi或GPS设备,而MCX接口则更小巧,适合空间受限的场景。理解这些基础知识,可以帮助用户根据需求选择合适的转接线,避免因接口不匹配导致信号中断或设备损坏。
二、深入解析SMA/MCX镀金转接线的核心参数
以Kinghelm品牌的KHB(RG316)-MCX-80-28转接线为例,这款产品采用MCX弯公头转SMA母头的设计。MCX端为公针,SMA端为母头母针,两者均经过镀金处理。镀金工艺不仅能增强导电效率,减少信号衰减,还能在一定程度上抵抗氧化和腐蚀,延长连接器的使用寿命。这种设计兼顾了紧凑性和兼容性,使得转接线在频繁插拔或恶劣环境中仍能保持稳定连接。此外,弯头设计有助于节省空间,适合设备内部布线或狭窄安装位置。
线材方面,该转接线使用RG-316同轴线,这是一种高性能射频电缆,外径为2.5毫米,长度为80毫米。RG-316线材以其低损耗和强抗干扰能力著称,适用于高频信号传输,能有效减少外部电磁干扰对信号质量的影响。棕色外皮不仅美观,还具有一定的耐磨性。配合外径2.0毫米、长度15毫米的薄套管,内部线路得到额外保护,防止因弯折或摩擦导致损坏,从而提升整体耐用性。
三、镀金处理的优势与信号传输的提升
镀金处理在RF连接器中较为常见,但它的实际效果可能被一些用户忽视。金作为一种优良导体,可以在接触表面形成平滑的导电层,减少电阻和信号反射,这对于高频应用尤为重要。相比于普通金属涂层,镀金能更有效地防止氧化,即使在潮湿或高湿环境中,也能维持稳定的电气性能。不过,镀金并非万能,它的优势主要体现在长期使用中,通过降低维护频率来节省成本。对于追求高可靠性的应用,如实验室测试或户外设备,这种处理方式可能带来显著的益处。
四、RG-316同轴线的性能特点与实际应用
RG-316同轴线是射频领域中的一种标准选择,其设计兼顾了柔韧性和传输效率。外径2.5毫米的尺寸使其易于在紧凑空间内布线,同时保持较低的信号损耗。在频率较高的场景中,如2.4GHz或5GHz的无线通信,这款线材能有效抑制噪声和干扰,确保信号清晰传输。长度80毫米的设置,适用于短距离连接,避免因线材过长引入不必要的衰减。用户在实际使用中,可以根据设备间距选择合适长度,以优化信号完整性。此外,棕色外观有助于在复杂环境中快速识别,提升安装效率。
五、如何正确选择和使用RF转接线
选购RF转接线时,除了关注接口类型和线材规格,还需考虑实际应用需求。例如,在高温或高振动环境中,镀金连接器和保护套管能提供更好的可靠性。对于需要频繁移动的设备,弯头设计可能更方便布线。在使用过程中,建议定期检查连接器是否清洁,避免灰尘或污垢影响接触性能。插拔时轻柔操作,可以减少物理损伤,延长转接线寿命。同时,匹配设备的频率范围也很重要,以确保转接线不会成为信号瓶颈。
六、常见问题与维护技巧
用户在使用RF转接线时,可能会遇到信号断续或连接松动等问题。这通常源于接口磨损或线材老化,而镀金处理和套管保护可以在一定程度上缓解这些情况。如果出现问题,首先检查连接器是否对齐、插紧,并清理接触点。避免过度弯曲线材,以防内部导体断裂。对于长期不用的转接线,存储在干燥环境中可以防止氧化。通过这些简单维护,用户能最大化转接线的效能,减少更换频率。
七、总结:优化信号传输的小配件大作用
RF转接线虽是小配件,却在信号传输链中扮演着重要角色。从镀金连接器到高性能同轴线,每一处设计都可能影响整体性能。通过了解产品参数,如Kinghelm的这款SMA/MCX转接线,用户可以根据自身场景做出合适选择,提升设备连接稳定性和效率。在现代通信技术不断发展的背景下,关注这些细节,或许能为您的项目带来意想不到的改进。未来,随着材料工艺的进步,RF转接线可能会在轻量化、高带宽方面有更多创新,值得持续关注。

Kinghelm金航标KHB(RG316)-MCX-80-28规格书
通过以上介绍,您可以看到,一根优质的转接线,其价值远不止于物理接口的转换。金航标KHB(RG316)-MCX-80-28转接线,从镀金接口到线材选型,均体现了对信号传输可靠性及长期耐用性的考量。
作为射频连接领域的专业品牌,金航标电子(Kinghelm)持续关注从标准件到定制化组件的各类需求。我们希望通过提供性能稳定、细节考究的产品,成为您构建可靠系统时的支持伙伴。如需了解更多产品系列或探讨具体应用,我们的技术团队随时准备为您服务。
Kinghelm金航标(www.kinghelm.com.cn)从事无线信号收发、电子信号连接器及互连系统产品的设计、制造、销售和技术服务十多年,技术团队来自清华大学和电子科技大学,吸纳优秀海归人才,深耕微波射频技术领域,联合高校成立研究机构。金航标(www.kinghelm.net)获得了多项发明专利,已取得ISO9001认证和RoHS、REACH认证。IATF16949汽车质量体系认证,UL、TUV等认证在申请中。“金航标,连接世界”,从最初推出天线产品,包括北斗GPS双模天线、蓝牙、WiFi、Zigbee、NB-IoT、LORA、UWB,及配套的射频转接线;现在产品拓展到板与线的各种连接器、板端座子、接插件、信号开关系列;及汽车摩托车线束,工业、医疗、科研用特种线材,非标定制品等三大系列。金航标的兄弟公司萨科微半导体产品销往世界各地,服务超一万家客户,产品有二极管三极管、功率器件、电源管理芯片三大系列。萨科微近年来还推出霍尔传感器、ADC、BMS新产品,与金航标电子一起为电子整机产品公司提供配套服务。

宋仕强先生简介:

宋仕强先生
宋仕强先生,萨科微半导体和金航标电子两家公司的总经理,中国电子学会专家库成员、深圳华强北研究专家、专栏科普作家。宋仕强从基层技术人员干起,担任过国际地产上市公司CEO,有丰富的技术管理和企业经营的经验,将宏观经济学理论与现实中经营管理相结合,带领公司高速发展!
宋仕强先生一直关注深圳华强北,研究华强北发展模式,提炼出华强北文化。华强北的文章《华强北研究》、《华强北的转型与发展》、《驳彭博社华强北新闻》,被人民日报、新华社、美联社、雅虎新闻、华尔街日报等国内外大媒体和平台转发,《宋仕强论道华强北》等短视频集在YouTube、Tik Tok等平台热播!宋仕强为提升华强北商业环境,华强北“中国电子第一街”的国际化一直在努力,希望华强北的电子元器件销往全世界!




粤公网安备44030002007346号