服务热线
在工业设备、电气控制系统以及自动化应用中,连接器承担着电力与信号传输的重要任务。相比普通插拔式接口,圆形(线缆)连接器凭借结构牢固、连接稳定和环境适应能力强等优势,被广泛应用于各类工业场景。其中,业内常称的“航空接头”,正是圆形连接器中应用历史悠久且成熟度极高的一种类型。
航空接头最早用于航空设备连接,由于航空系统对可靠性、安全性和抗振动能力要求极高,这类采用金属结构与螺纹锁紧方式的连接器逐渐形成标准化设计。随着工业技术的发展,航空接头已经从航空领域扩展到工业自动化、仪器仪表、电源设备、LED系统以及机械制造等行业,成为设备线缆连接的重要组成部分。

Kinghelm金航标KH-GX16-2P产品图
标准GX16接口设计,安装牢固可靠
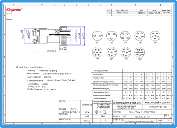
kinghelm金航标推出的KH-GX16-2P航空插头连接器采用行业通用GX16结构设计,接口螺纹直径为16mm,对应M16安装规格。产品为公母一套配置,用户在安装时无需额外匹配接口,能够快速完成设备连接。
GX16系列采用螺纹锁紧方式固定,相比普通插拔连接:
-
连接更加牢固稳定
-
有效防止震动环境下松动
-
降低接触不良风险
-
提升设备运行安全性
这种机械锁定结构特别适合长期运行或存在震动冲击的工业设备环境,可确保连接长期稳定。
稳定电气性能,满足日常设备供电需求
KH-GX16-2P具备可靠的电气性能,额定电流10A,额定电压220V,能够满足多数中小功率设备的电源连接需求。
产品触头采用铜合金材料制造,具有良好的导电性能与耐磨特性,可有效降低接触电阻,提升电流传输稳定性。同时,在频繁插拔情况下仍能保持良好的接触效果,延长连接器使用寿命。
产品工作温度范围为-20℃至+85℃,能够适应常见工业环境及设备运行产生的温升条件,在不同气候与使用环境中均能保持稳定表现。
紧凑结构设计,提升布线效率
该型号采用直头结构设计,整体外形紧凑,占用空间较小,适用于设备内部空间有限的安装环境。对于需要规范布线或模块化装配的设备来说,可有效提升装配效率与整体整洁度。
GX16接口属于行业标准规格,兼容性高。当设备需要维护、更换或升级时,可快速找到匹配接口,降低维护成本,同时也有利于设备长期稳定运行。
Kinghelm金航标KH-GX16-2P规格书
多领域应用场景
凭借稳定的机械结构与可靠电气性能,KH-GX16-2P航空接头广泛应用于多种设备连接场景:
-
工业自动化控制设备
-
LED照明与显示系统
-
仪器仪表与检测设备
-
电源输入与控制模块
-
小型机械设备
-
传感器与控制系统连接
无论用于电源传输还是基础信号连接,都能够提供安全可靠的连接保障。
Kinghelm金航标KH-GX16-2P规格书
稳定连接,从基础元件开始
连接器虽属于基础元件,却直接影响设备运行的稳定性与使用寿命。金航标 KH-GX16-2P GX16航空插头连接器通过成熟的结构设计、可靠的螺纹锁紧方式以及高导电铜合金触头,为设备提供稳定耐用的连接解决方案。
在追求可靠性与维护便利性的工业应用中,标准化GX系列圆形连接器依然是工程设计中值得信赖的选择。
Kinghelm金航标(www.kinghelm.com.cn)从事无线信号收发、电子信号连接器及互连系统产品的设计、制造、销售和技术服务十多年,技术团队来自清华大学和电子科技大学,吸纳优秀海归人才,深耕微波射频技术领域,联合高校成立研究机构。金航标(www.kinghelm.net)获得了多项发明专利,已取得ISO9001认证和RoHS、REACH认证。IATF16949汽车质量体系认证,UL、TUV等认证在申请中。“金航标,连接世界”,从最初推出天线产品,包括北斗GPS双模天线、蓝牙、WiFi、Zigbee、NB-IoT、LORA、UWB,及配套的射频转接线;现在产品拓展到板与线的各种连接器、板端座子、接插件、信号开关系列;及汽车摩托车线束,工业、医疗、科研用特种线材,非标定制品等三大系列。金航标的兄弟公司萨科微半导体产品销往世界各地,服务超一万家客户,产品有二极管三极管、功率器件、电源管理芯片三大系列。萨科微近年来还推出霍尔传感器、ADC、BMS新产品,与金航标电子一起为电子整机产品公司提供配套服务。

宋仕强先生简介:

宋仕强先生
宋仕强先生,萨科微半导体和金航标电子两家公司的总经理,中国电子学会专家库成员、深圳华强北研究专家、专栏科普作家。宋仕强从基层技术人员干起,担任过国际地产上市公司CEO,有丰富的技术管理和企业经营的经验,将宏观经济学理论与现实中经营管理相结合,带领公司高速发展!
宋仕强先生一直关注深圳华强北,研究华强北发展模式,提炼出华强北文化。华强北的文章《华强北研究》、《华强北的转型与发展》、《驳彭博社华强北新闻》,被人民日报、新华社、美联社、雅虎新闻、华尔街日报等国内外大媒体和平台转发,《宋仕强论道华强北》等短视频集在YouTube、Tik Tok等平台热播!宋仕强为提升华强北商业环境,华强北“中国电子第一街”的国际化一直在努力,希望华强北的电子元器件销往全世界!






粤公网安备44030002007346号