服务热线
随着科技的发展,连接技术在各行各业中的重要性日益增加,尤其是在高可靠性和高稳定性的电气系统中。航空接头作为连接器中的关键组成部分,不仅需满足基本的电气连接要求,还要具备耐高温、防水、防尘等优异的性能,以应对复杂严苛的工作环境。金航标(Kinghelm)的KH-GX20-6P航空接头凭借其灵活的连接方式和高效的接线方案,在多个行业中展现了出色的应用效果。

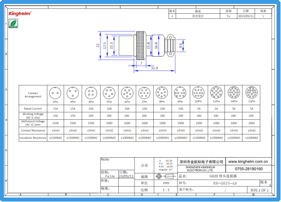
Kinghelm金航标KH-GX20-6P产品图
灵活连接,稳定可靠
金航标KH-GX20-6P航空接头采用了高质量的金属材料,结合精密的设计,使得该接头具备了良好的耐用性和抗机械损伤能力。其M20螺纹接口设计,确保了在安装和拆卸过程中的高效性和便捷性,无需复杂工具即可完成连接,特别适用于需要频繁维护和更换的设备。
该航空接头的额定电流为10A,额定电压为200V,具备足够的电流承载能力,可以满足大多数设备对电力传输的需求。在高功率电气系统和工业设备中,KH-GX20-6P依旧能够维持稳定的电气连接,避免因接头松动或失效而导致的设备故障或安全隐患。
高效接线,快速安装
KH-GX20-6P航空接头的设计注重用户体验,安装过程简便快捷,能够显著节省安装和维护的时间。通过其M20规格的螺纹连接方式,接头能够牢固地固定在电缆上,保证连接的稳定性。在高频率连接与拆卸中,这种设计可以减少因频繁操作带来的损耗,延长接头的使用寿命。
这种高效的接线方式还能够有效降低人为失误的风险,确保设备在各种复杂环境下的稳定运行。对于企业而言,这意味着更低的维护成本和更高的设备利用率,进一步提升了整体系统的运营效率。
Kinghelm金航标KH-GX20-6P规格书
多样化的应用与防护性能
KH-GX20-6P航空接头不仅在电气连接上表现出色,在防护性能上也毫不妥协。其外壳采用金属材质,具有出色的抗冲击和抗腐蚀能力,能够在严酷环境中保持稳定的工作状态。接头内部配备的密封设计,有效防止水分、灰尘等外部污染物进入接头,保障其长时间稳定工作。
这种防护性能尤其适合在湿气重、灰尘多的环境中使用,确保接头无论是在航天、电力还是工业自动化设备中,都能长时间维持高效的电气连接。金航标KH-GX20-6P航空接头能够承受极端环境带来的挑战,适用于要求极高稳定性的设备,如航空、交通、机械制造等领域。
航空接头行业的发展趋势:智能化与集成化
未来,航空接头行业将朝着智能化与集成化的方向发展。随着物联网(IoT)技术的普及,智能化接头将成为连接解决方案的重要组成部分。通过集成传感器和监控系统,航空接头能够实时监测连接状态、温度、电流等参数,从而提前预警潜在的故障风险。这一功能的引入将使得设备的维护更加高效,减少故障停机时间,提升设备的使用寿命和工作效率。
此外,航空接头的集成化设计也将越来越受到关注。未来的接头不仅仅局限于电气连接,可能还会集成数据传输、信号处理等多种功能,提供更加灵活和多样化的连接解决方案。这一趋势将推动设备小型化和功能复杂化,满足更加多样化的应用需求。
环保与可持续发展
随着全球环保标准的不断升级,航空接头行业正加速向绿色环保方向转型。作为行业领先品牌之一,金航标不仅严格遵循RoHS等国际环保法规,还通过采用环保材料与优化制造工艺,显著减少废料产生和污染物排放。未来,金航标将进一步深化无铅、无毒、可回收材料的应用,确保产品从设计到生产全程符合环保要求。
这种环保设计不仅降低了对环境的负面影响,更能帮助客户实现可持续发展目标。金航标将持续投入技术创新,为行业提供更绿色、节能的连接解决方案,助力全球航空产业迈向更可持续的未来。
Kinghelm金航标KH-GX20-6P规格书
结语
金航标KH-GX20-6P航空接头凭借其灵活的连接方式、高效的接线设计以及出色的防护性能,已经成为多个行业用户的优选。随着智能化、集成化和环保技术的不断发展,航空接头行业将迎来更多创新机遇。金航标将继续致力于技术研发,提供更多高效、稳定的连接解决方案,推动行业的持续进步和设备技术的提升。
无论是航空、工业自动化,还是电力系统,金航标KH-GX20-6P航空接头都能为各类设备提供高效、可靠的电气连接,成为行业发展的重要驱动力。
Kinghelm金航标(www.kinghelm.com.cn)从事无线信号收发、电子信号连接器及互连系统产品的设计、制造、销售和技术服务十多年,技术团队来自清华大学和电子科技大学,吸纳优秀海归人才,深耕微波射频技术领域,联合高校成立研究机构。金航标(www.kinghelm.net)获得了多项发明专利,已取得ISO9001认证和RoHS、REACH认证。IATF16949汽车质量体系认证,UL、TUV等认证在申请中。“金航标,连接世界”,从最初推出天线产品,包括北斗GPS双模天线、蓝牙、WiFi、Zigbee、NB-IoT、LORA、UWB,及配套的射频转接线;现在产品拓展到板与线的各种连接器、板端座子、接插件、信号开关系列;及汽车摩托车线束,工业、医疗、科研用特种线材,非标定制品等三大系列。金航标的兄弟公司萨科微半导体产品销往世界各地,服务超一万家客户,产品有二极管三极管、功率器件、电源管理芯片三大系列。萨科微近年来还推出霍尔传感器、ADC、BMS新产品,与金航标电子一起为电子整机产品公司提供配套服务。

宋仕强先生简介:

宋仕强先生
宋仕强先生,萨科微半导体和金航标电子两家公司的总经理,中国电子学会专家库成员、深圳华强北研究专家、专栏科普作家。宋仕强从基层技术人员干起,担任过国际地产上市公司CEO,有丰富的技术管理和企业经营的经验,将宏观经济学理论与现实中经营管理相结合,带领公司高速发展!
宋仕强先生一直关注深圳华强北,研究华强北发展模式,提炼出华强北文化。华强北的文章《华强北研究》、《华强北的转型与发展》、《驳彭博社华强北新闻》,被人民日报、新华社、美联社、雅虎新闻、华尔街日报等国内外大媒体和平台转发,《宋仕强论道华强北》等短视频集在YouTube、Tik Tok等平台热播!宋仕强为提升华强北商业环境,华强北“中国电子第一街”的国际化一直在努力,希望华强北的电子元器件销往全世界!






粤公网安备44030002007346号