服务热线
在各类电子设备中,电源接口虽然体积不大,却承担着稳定供电的重要任务。无论是工业设备、安防监控系统,还是日常使用的智能终端产品,电源连接是否可靠都会直接影响设备的运行状态。如果接口出现接触不稳定、受潮或结构松动等情况,就可能带来供电波动,从而影响设备的正常工作。因此,在设备设计中,电源接口的结构与电气性能一直是工程人员关注的环节之一。

Kinghelm金航标KH-FSDC-30008-03DBAP-A产品图
随着电子设备应用场景逐渐丰富,一些产品需要在较为复杂的环境中长期运行。例如户外安装的设备、工业现场设备以及需要长时间连续工作的电子终端,这类设备在使用过程中可能会接触到潮湿空气、水汽或灰尘。面对这些情况,电源连接器除了具备稳定的导电性能之外,也需要在结构设计上具备一定的环境适应能力。
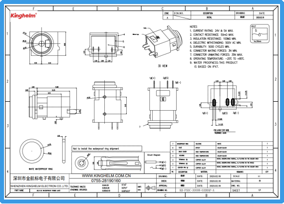
在这种应用需求下,Kinghelm金航标推出了DC电源连接器 KH-FSDC-30008-03DBAP-A。该型号产品主要用于电子设备的电源接口连接,通过合理的结构尺寸与电气参数配置,为设备供电连接提供一种稳定的实现方式。产品采用插件式封装形式,适用于PCB板插件焊接安装,整体重量约为3.25g,并以编带方式包装,便于批量生产与装配流程管理。
从结构尺寸来看,KH-FSDC-30008-03DBAP-A采用立式直插结构设计,产品整体高度为17.8mm。在接口规格方面,该型号DC电源插座外径为7.7mm、内径为6.3mm,并配备直径为2.0mm的中心针结构。这一规格在DC电源接口中较为常见,可与多种标准电源插头匹配使用,便于设备在电源连接方案上的选择与设计。同时,该产品采用3PIN结构形式,在部分需要额外电源识别或信号连接的应用中也具有一定适配空间。
在电气性能方面,KH-FSDC-30008-03DBAP-A的额定电压为24V,额定电流为5A,可用于多种中低功率电子设备的电源输入接口。产品接触电阻最大为50mΩ,较低的接触电阻有助于减少连接过程中的电能损耗,同时保持电源传输的稳定状态。在绝缘性能方面,该连接器的绝缘电阻不低于100MΩ,可在一定程度上降低漏电风险。此外,产品可承受AC500V耐电压测试,在电气隔离方面具备相应的设计余量。其工作温度范围为-25℃至+85℃,能够适应多种常见的设备运行环境。
KH-FSDC-30008-03DBAP-A还具备IPX7等级的防水结构设计。该防水等级通常用于需要一定防护能力的接口部件,在特定条件下可减少水分进入接口内部的可能性。在一些安装于户外或湿度较高环境中的设备中,这类防护设计能够帮助降低环境因素对接口连接的影响。
在实际应用中,DC电源连接器KH-FSDC-30008-03DBAP-A可见于多种电子设备。例如安防监控设备、工业控制终端、智能家居设备以及部分户外电子装置等。这些设备在运行过程中通常需要稳定的电源输入接口,而结构稳定、参数匹配的连接器有助于维持设备供电连接的连续性。
Kinghelm金航标KH-FSDC-30008-03DBAP-A规格书
从整体来看,DC电源连接器 KH-FSDC-30008-03DBAP-A通过常见接口规格、3PIN结构形式以及相应的电气参数配置,为电子设备电源连接提供了一种实用的接口方案。在电子设备设计过程中,电源接口虽属于基础部件,但其结构稳定性与连接可靠性仍然会对设备运行产生影响。随着设备应用环境逐渐多样化,这类具备一定防护能力的电源连接器也在不同类型的电子产品中得到应用。
Kinghelm金航标(www.kinghelm.com.cn)从事无线信号收发、电子信号连接器及互连系统产品的设计、制造、销售和技术服务十多年,技术团队来自清华大学和电子科技大学,吸纳优秀海归人才,深耕微波射频技术领域,联合高校成立研究机构。金航标(www.kinghelm.net)获得了多项发明专利,已取得ISO9001认证和RoHS、REACH认证。IATF16949汽车质量体系认证,UL、TUV等认证在申请中。“金航标,连接世界”,从最初推出天线产品,包括北斗GPS双模天线、蓝牙、WiFi、Zigbee、NB-IoT、LORA、UWB,及配套的射频转接线;现在产品拓展到板与线的各种连接器、板端座子、接插件、信号开关系列;及汽车摩托车线束,工业、医疗、科研用特种线材,非标定制品等三大系列。金航标的兄弟公司萨科微半导体产品销往世界各地,服务超一万家客户,产品有二极管三极管、功率器件、电源管理芯片三大系列。萨科微近年来还推出霍尔传感器、ADC、BMS新产品,与金航标电子一起为电子整机产品公司提供配套服务。
宋仕强先生简介:

宋仕强先生
宋仕强先生,萨科微半导体和金航标电子两家公司的总经理,中国电子学会专家库成员、深圳华强北研究专家、专栏科普作家。宋仕强从基层技术人员干起,担任过国际地产上市公司CEO,有丰富的技术管理和企业经营的经验,将宏观经济学理论与现实中经营管理相结合,带领公司高速发展!
宋仕强先生一直关注深圳华强北,研究华强北发展模式,提炼出华强北文化。华强北的文章《华强北研究》、《华强北的转型与发展》、《驳彭博社华强北新闻》,被人民日报、新华社、美联社、雅虎新闻、华尔街日报等国内外大媒体和平台转发,《宋仕强论道华强北》等短视频集在YouTube、Tik Tok等平台热播!宋仕强为提升华强北商业环境,华强北“中国电子第一街”的国际化一直在努力,希望华强北的电子元器件销往全世界!




粤公网安备44030002007346号