服务热线
户外设备供电接口为何更关键?
随着户外电子设备和智能终端应用的不断扩展,电源接口的重要性逐渐凸显。对于户外LED照明、安防监控设备以及部分潮湿环境中的智能家电而言,电源连接器不仅要提供稳定供电,还需要具备 防水、防潮以及良好的环境适应能力。
如果电源接口防护不足,在雨水、湿气或温差变化环境下容易出现接触不良甚至短路问题,从而影响设备稳定运行。因此,在设备设计阶段选择一款可靠的电源连接器尤为重要。
Kinghelm金航标KH-FSDC-30008-03DBAP-B产品图
场景一:户外照明与亮化工程
在城市景观照明、建筑亮化以及园林灯光系统中,大量LED灯具长期安装在室外环境中,需要面对雨水冲刷和湿度变化等复杂条件。
典型设备包括:LED线条灯、洗墙灯、地埋灯。
在这类应用中,电源接口既要满足供电需求,又要具备可靠的防水性能。
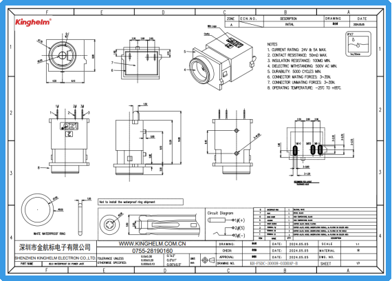
金航标 DC电源插座KH-FSDC-30008-03DBAP-B 采用 IPX7防水结构设计,能够有效防止雨水渗入接口内部,降低潮湿环境对电气连接的影响。
同时,该接口支持 最大24V电压、5A电流,能够满足多数LED灯具和灯带驱动模块的供电需求。配合 立式直插结构设计,方便集成在灯具驱动电源PCB板上。
场景二:安防监控与智能门禁
在智慧社区和公共安全系统中,安防监控设备需要长期稳定运行。特别是户外摄像头和门禁控制系统,经常需要在不同气候环境中工作。
适用设备包括:户外球机摄像头、网络监控设备、门禁控制器、门禁电源箱。
DC电源插座KH-FSDC-30008-03DBAP-B 支持 -25℃ 至 +85℃的工作温度范围,能够适应不同地区的气候环境。
此外,该产品 绝缘电阻≥100MΩ、接触电阻≤50mΩ,有助于确保电源连接稳定,为监控设备和门禁系统提供持续可靠的供电保障。
场景三:小家电与健康医疗设备
在日常生活中,一些小家电和健康护理设备需要在潮湿环境中使用,例如浴室、厨房或护理场景。
常见应用设备包括:加湿器、足浴盆、净水器、健康护理设备。
KH-FSDC-30008-03DBAP-B 的防水结构能够减少潮湿环境对接口的影响。同时 24V安全电压等级也符合许多小家电产品的电源设计需求,有助于提升整机安全性能。
产品设计亮点解析
作为一款面向多场景应用的DC电源接口,KH-FSDC-30008-03DBAP-B 在结构与性能方面具备多项设计特点。
1、IPX7防水结构设计
该接口达到 IPX7防水等级,能够在短时间浸水环境中保持基本密封性能,适用于户外设备或高湿环境。
2、稳定的电气性能
产品支持 24V额定电压和5A电流承载能力,同时具备 AC500V耐电压能力,能够满足多数低压电子设备的供电需求。
3、标准DC接口规格
接口采用 7.7mm外径、5.5mm内径、2.0mm针径 的常见DC规格,兼容性较好,方便设备厂商进行电源适配设计。
4、立式插件结构
产品高度 17.8mm,采用 立式直插安装方式,适合PCB板集成设计,并能提供较好的结构稳定性。
工程师选型建议
在电子设备设计中,电源接口的选择通常需要综合考虑 电气参数、环境适应性以及结构安装方式。针对类似应用场景,可以重点关注以下几个方面:
1、电流与电压匹配
确保接口的额定电流和电压能够满足设备的供电需求,并预留一定的安全余量。
2、防护等级要求
如果设备需要在户外或潮湿环境中使用,建议选择具备防水结构的电源接口,例如IPX7等级产品。
3、PCB安装方式
根据整机结构设计选择合适的安装方式,如直插式或贴片式,以保证机械稳定性和生产便利性。
4、生产效率
采用 编带包装 的连接器更适合自动化插件设备安装,有助于提高生产效率。
Kinghelm金航标KH-FSDC-30008-03DBAP-B规格书
结语
随着智能设备、户外电子产品以及安防系统的应用不断扩大,稳定可靠的电源连接器在整机设计中的作用越来越重要。
Kinghelm金航标 KH-FSDC-30008-03DBAP-B 防水DC电源插座 凭借 IPX7防水结构、24V/5A供电能力、宽温工作范围以及便捷的插件安装方式,能够满足户外照明、安防监控及小家电设备的多种应用需求,为设备提供稳定可靠的电源接口解决方案。
Kinghelm金航标(www.kinghelm.com.cn)从事无线信号收发、电子信号连接器及互连系统产品的设计、制造、销售和技术服务十多年,技术团队来自清华大学和电子科技大学,吸纳优秀海归人才,深耕微波射频技术领域,联合高校成立研究机构。金航标(www.kinghelm.net)获得了多项发明专利,已取得ISO9001认证和RoHS、REACH认证。IATF16949汽车质量体系认证,UL、TUV等认证在申请中。“金航标,连接世界”,从最初推出天线产品,包括北斗GPS双模天线、蓝牙、WiFi、Zigbee、NB-IoT、LORA、UWB,及配套的射频转接线;现在产品拓展到板与线的各种连接器、板端座子、接插件、信号开关系列;及汽车摩托车线束,工业、医疗、科研用特种线材,非标定制品等三大系列。金航标的兄弟公司萨科微半导体产品销往世界各地,服务超一万家客户,产品有二极管三极管、功率器件、电源管理芯片三大系列。萨科微近年来还推出霍尔传感器、ADC、BMS新产品,与金航标电子一起为电子整机产品公司提供配套服务。

宋仕强先生简介:
宋仕强先生
宋仕强先生,萨科微半导体和金航标电子两家公司的总经理,中国电子学会专家库成员、深圳华强北研究专家、专栏科普作家。宋仕强从基层技术人员干起,担任过国际地产上市公司CEO,有丰富的技术管理和企业经营的经验,将宏观经济学理论与现实中经营管理相结合,带领公司高速发展!
宋仕强先生一直关注深圳华强北,研究华强北发展模式,提炼出华强北文化。华强北的文章《华强北研究》、《华强北的转型与发展》、《驳彭博社华强北新闻》,被人民日报、新华社、美联社、雅虎新闻、华尔街日报等国内外大媒体和平台转发,《宋仕强论道华强北》等短视频集在YouTube、Tik Tok等平台热播!宋仕强为提升华强北商业环境,华强北“中国电子第一街”的国际化一直在努力,希望华强北的电子元器件销往全世界!





粤公网安备44030002007346号