热线
手机
轻触开关在现代电子设备中的地位早已从基础元件转向关键的人机交互触点。随着设备不断向轻薄、小型化、模块化方向靠拢,电子工程师对轻触开关的尺寸结构、触感稳定性、装配方式以及材料匹配提出了更细腻的要求。基于此背景,Kinghelm金航标轻触开关 KH-4.5X4.5X7H-TJ 的使用逻辑与工程特性值得深入拆解,它代表着一种适合紧凑结构布局的常规规范化元件,其材料构成与触发方式展现了典型插件式轻触开关的应用风格。
本文将从结构尺寸、内部弹片系统、材料选择、装配适配性、电气行为以及典型场景等多个角度,系统分析 Kinghelm金航标 KH-4.5X4.5X7H-TJ 在电子产品中的工程意义,并探讨在实际项目设计中与之相关的版图、力学、温度、寿命和制造考量,使内容更贴近研发人员、工程师及从业者的实际需求。

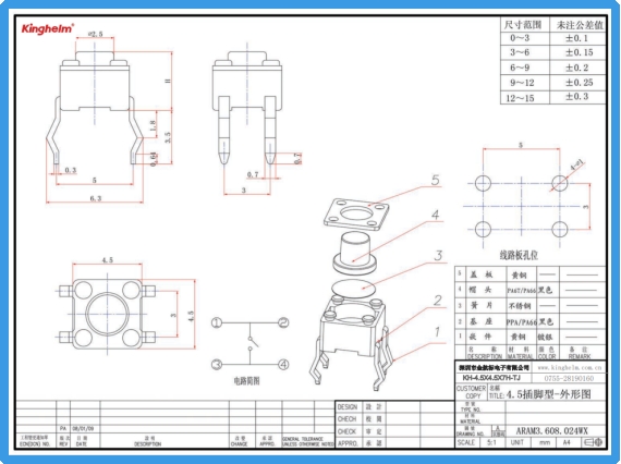
Kinghelm金航标KH-4.5X4.5X7H-TJ产品图
Kinghelm金航标KH-4.5X4.5X7H-TJ 采用 4.5 × 4.5 mm 标准尺寸与 7 mm 垂直高度,这一组合在轻触开关族群中具有典型性,但其工程定位并非简单的“通用型”。4.5 mm × 4.5 mm 的平面尺寸给予 PCB 布局较高的可预测性,在大多数控制面板、按键模块、小型终端设备中具有良好的兼容性,而 7 mm 的高度则适合塑胶按键帽与壳体结构之间存在一定行程空间的设计。
换句话说,这种尺寸常见于需要略长触发行程但受平面尺寸限制的设备。例如:
手持终端的侧键或功能键
小型遥控器、简易输入面板
电器控制模组中的单功能按键
工业便携设备中的辅助触点
这一尺寸并非随意设定,而是围绕标准 PCB 插件脚距、壳体开模的兼容性、按压力学传递、装配方式等一系列工程约束得出的成熟方案。因此,在以尺寸为关键参数的设计讨论中,KH-4.5X4.5X7H-TJ 的高度与平面比例呈现出经典轻触开关族谱下的工程合理性。
轻触开关的表现不仅来自几何结构,更依赖材料组合。KH-4.5X4.5X7H-TJ 的公开部件构成包括:
盖板:黄铜
帽头:PA6T/PA66 黑色
簧片:不锈钢
基座:PPA / PA66 黑色
嵌件:黄铜镀银
黄铜作为盖板材料,主要承载轻触开关上部结构的固定作用,同时影响内部力的传递路径。黄铜的抗变形能力和较高的尺寸稳定性,使得压入力不会在盖板处出现过度吸收,从而保持开关触发的一致性。对于长期依赖机械触发的器件而言,盖板刚性在触感保持方面意义非常明显。
帽头材料使用 PA6T 或 PA66,这两种工程塑料的特点是尺寸稳定性高、耐热等级较好,可以抵抗焊接与装配过程中的温度变化。PA6T 的成型收缩率较低,更适合精密件设计,而 PA66 则在成本与力学平衡中更常用,两者均能满足按键长期使用的机械反复作用。
簧片是轻触开关灵敏度与触感反馈的核心组件。不锈钢材料的弹性模量和疲劳寿命直接决定按压手感的一致性和导通稳定性。簧片的几何形状虽未在数据中给出,但常见设计多为“金属圆顶结构”,其突起部分在受压时发生形变,内部接触将线路闭合。
这种结构允许:
在极小位移下产生清晰的点击反馈
触感保持高度一致性
在高速装配中保持机械重复精度
作为开关底部的固定平台,基座承担电极定位、嵌件稳定和整体结构支撑等几项任务。PPA 的耐热性能与耐湿膨胀能力使其适合焊接环境,而 PA66 在保持力学强度与加工性方面表现均衡,尤其适合常规插件工艺与自动化插装流程。
嵌件使用黄铜镀银,这一组合在轻触开关行业十分普遍。黄铜提供机械支撑与成型精度,而镀银层提升导电性能,使短促触发下的接触电阻表现更可靠。在对导通一致性要求较高的场景中,镀银处理具有明显价值。
轻触开关的使用体验来自机械反馈,而工程可靠性来自电气瞬态表现。KH-4.5X4.5X7H-TJ 采用传统金属弹片触发方式,其按压行为可以从以下几个方面理解:
虽没有给出官方按压力数据,但基于结构与行业同类产品推断,其触发行程通常约在 0.25–0.35 mm 左右,触发压力多位于常见轻触开关的中等区间。对于平面尺寸仅 4.5 mm 的开关而言,这类行程既能保持整体高度的可控性,又能确保手感具有可识别的反馈点。
轻触开关普遍存在触点弹跳现象,即按下瞬间电气信号会在极短时间内发生重复开合。KH-4.5X4.5X7H-TJ 属于机械式触发,自然也包含这一特性。因此在 MCU 或数字电路中通常需要使用软硬件去抖处理,如 RC 滤波、采样延时或软件消抖算法。
弹片寿命主要由材料、热处理方式与受力均匀性决定。对于使用不锈钢材料的弹片结构,其寿命由循环应力决定,若装配受力不均或壳体对其产生侧向偏移,会加速疲劳累积。因此在使用 KH-4.5X4.5X7H-TJ 时,工程人员通常会关注壳体导向结构、按键柱长度、侧向应力限制等维度,以避免在高频使用环境下出现触感衰减或接触不稳。
KH-4.5X4.5X7H-TJ 采用插件(THT)封装,这种方式在某些设备中仍具有不可替代的优势,包括:
更强的机械固定性,适合经常按压的场景
对 PCB 应力的分布更均匀
不受 SMT 工艺回流温度影响
在人工装配与自动插件中均能稳定使用
相对于薄型 SMT 轻触开关,插件式结构更适合垂直按压受力较强的产品。例如:
需要较长键程的外壳结构
工业便携设备中的操作按键
长期重复按压的简易人机界面
对手感一致性有明确要求的终端
此外,7 mm 的高度为许多塑胶键帽提供足够的空间,用于保证按键柱、导向槽和壳体结构之间的对齐,减少偏压现象。
由于 KH-4.5X4.5X7H-TJ 采用插件脚结构,版图设计需考虑:
焊盘孔径需与黄铜嵌件脚径匹配
焊盘周围应留足绝缘距离避免应力集中
应尽量使按压方向与 PCB 垂直
对于高频操作场景需在 PCB 背面加强筋或加固焊点
为了保证触感稳定,外壳与按键柱的设计需保持上下对齐,内部按压件需避免对开关施加侧向应力,否则会导致弹片受力区域偏移,从而影响触发一致性。
微控制器输入端的功能按键
家庭电器中的模式切换键
小型传感器模块的复位或设置按钮
通信终端中的侧边辅助按键
便携式工具中的参数切换与功能触发

Kinghelm金航标KH-4.5X4.5X7H-TJ规格书
从整体来看,Kinghelm金航标KH-4.5X4.5X7H-TJ 的价值不在于“功能多样”,而在于普适结构下的稳定性、长期使用中的触感一致性以及与各类轻量化设备的形态匹配性。其材料组合、尺寸比例与插件方式使其适合多种需要持续按压与重复触发的场景。
对于研发工程师而言,理解其材料特性、受力条件、寿命曲线、电气行为和装配方式,有助于做出更合理的产品结构选择,减少后期返工,提高整机一致性与可维护性。在追求尺寸压缩与结构密度不断提升的电子行业中,这类规范化、可预测的机械开关结构依旧具有长期应用价值。
Kinghelm金航标(www.kinghelm.com.cn)从事无线信号收发、电子信号连接器及互连系统产品的设计、制造、销售和技术服务十多年,技术团队来自清华大学和电子科技大学,吸纳优秀海归人才,深耕微波射频技术领域,联合高校成立研究机构。金航标(www.kinghelm.net)获得了多项发明专利,已取得ISO9001认证和RoHS、REACH认证。IATF16949汽车质量体系认证,UL、TUV等认证在申请中。“金航标,连接世界”,从最初推出天线产品,包括北斗GPS双模天线、蓝牙、WiFi、Zigbee、NB-IoT、LORA、UWB,及配套的射频转接线;现在产品拓展到板与线的各种连接器、板端座子、接插件、信号开关系列;及汽车摩托车线束,工业、医疗、科研用特种线材,非标定制品等三大系列。金航标的兄弟公司萨科微半导体产品销往世界各地,服务超一万家客户,产品有二极管三极管、功率器件、电源管理芯片三大系列。萨科微近年来还推出霍尔传感器、ADC、BMS新产品,与金航标电子一起为电子整机产品公司提供配套服务。
宋仕强先生简介:
宋仕强先生
宋仕强先生,萨科微半导体和金航标电子两家公司的总经理,中国电子学会专家库成员、深圳华强北研究专家、专栏科普作家。宋仕强从基层技术人员干起,担任过国际地产上市公司CEO,有丰富的技术管理和企业经营的经验,将宏观经济学理论与现实中经营管理相结合,带领公司高速发展!
宋仕强先生一直关注深圳华强北,研究华强北发展模式,提炼出华强北文化。华强北的文章《华强北研究》、《华强北的转型与发展》、《驳彭博社华强北新闻》,被人民日报、新华社、美联社、雅虎新闻、华尔街日报等国内外大媒体和平台转发,《宋仕强论道华强北》等短视频集在YouTube、Tik Tok等平台热播!宋仕强为提升华强北商业环境,华强北“中国电子第一街”的国际化一直在努力,希望华强北的电子元器件销往全世界!


