热线
手机
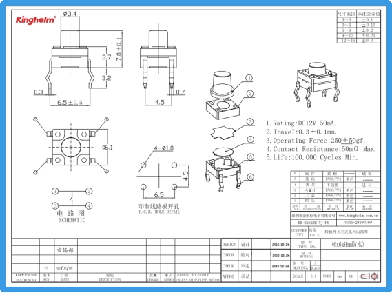
轻触开关在电子设备的输入体系中经常处于不显眼的位置,但它们在产品长期运行中的作用却极为关键。本文聚焦Kinghelm金航标型号为 KH-6X6X8H-TJ-FS 的轻触开关,以其 6×6mm 的开关本体宽度与 8mm 高度为基础,结合 DC12V 50mA 的额定参数、0.3±0.1mm 的触发行程、250±50gf 的操作力度、50mΩ Max 的接触电阻以及 ≥100,000 次的使用寿命,对其在紧凑结构、交互一致性与使用可靠性上的特性展开深入讨论。文章面向行业工程师及资深产品开发人员,从元器件选型、结构设计、耐久性验证到典型场景应用提供系统化视角。

Kinghelm金航标KH-6X6X8H-TJ-FS产品图
轻触开关的外形尺寸直接决定了它在 PCB 上的布局方式、周边器件的避让策略以及整机装配的可行性。6mm×6mm 的平面尺寸是通用度较高的规格,它在许多手持设备、家电控制板、车载小型按键模块中都有较高使用频率。对于结构工程师而言,这一尺寸既能适应有限的面板空间,也不至于过小而导致操作定位困难。
8mm 的高度使 KH-6X6X8H-TJ-FS 在面板穿孔、顶盖厚度、按键帽行程设计中具有一定伸展空间。此高度常被用于需要穿过面板间隙、橡胶按键罩或轻型按键帽的结构中,既能实现触感反馈,也便于按压力传递。对于需要轻量调整触发表面高度的设计场景,这类开关的高度参数可减少额外垫片或结构台阶的需求,从而降低部件数量与装配复杂度。
轻触开关的行程是决定用户按压体验与输入准确性的关键物理量。KH-6X6X8H-TJ-FS 的 0.3±0.1mm 行程属于短行程反馈类型,即触发距离短、响应迅速。短行程的优势在于减少按压路径,让操作动作更精确,适合频繁触发的控制逻辑,例如功能切换键、小型机械控制界面或板载维护按键。
同时,行程的允许偏差(±0.1mm)为工艺制造与结构配合提供了合理的容差空间。对于依靠按键帽传递压力的结构,在制造公差、橡胶件硬度与板材偏差叠加后,能否在实际装配中保持稳定的触发位置,是电子产品触感一致性的重要因素。短行程形式强化了触发点的位置敏感度,因此需要在结构设计阶段进行精确的配合分析,包括:
按键帽底部接触面平整度
面板厚度与定位柱高度偏差
PCB 弯曲与装配公差叠加
只有在上述因素均被有效控制的情况下,短行程轻触开关才能保持一致操作效果,减少轻触失效或触发不均的问题。
操作力度不仅影响按键的手感,也影响误触风险与设备定位方式。KH-6X6X8H-TJ-FS 的 250±50gf 属于中等偏强的力度范围,在许多专业或半工业环境中具有实用意义。此力度能够减少误触,适合以下场景:
需要物理确认感的功能按键,例如模式切换、复位按钮、菜单导航
需要在震动环境工作,如便携测试设备、工具类电子、车载辅助模块
在佩戴手套的操作场景中,提高触发感知度
操作力度偏高时,结构工程师需要特别关注按键帽的机械传递能力。在薄壁结构或易变形材料中,应评估长期按压下的疲劳变形,并选择足够强度的按键衬托结构或内部支撑肋,以避免因材料挠曲造成触发不稳定。
轻触开关的接触电阻影响信号完整性与输入电路的判定精度。50mΩ 以内的接触电阻属于常见轻触结构的合理范围,适用于低功率控制逻辑输入,例如 MCU 按键、功能选择输入、边缘触发控制等。此类电阻值通常对数字电路的逻辑信号不会造成干扰,但在以下情况下需额外注意:
在极低电流检测环境(如微功耗待机监测)中可能需要进行参数校验
输入电路若带有长走线或存在 EMI 敏感区域,需保持适当地线路隔离
潮湿、粉尘或盐雾环境可能影响接触点长期稳定性
由于 KH-6X6X8H-TJ-FS 提供防水特性,这在一定程度上缓解了接触点受潮导致阻值波动的风险。尽管如此,系统设计者仍需结合实际使用环境进行整体校验。
使用寿命是决定轻触开关适用场景的重要依据。100,000 次的触发寿命满足大多数消费级与一般工业应用场景的周期要求。对于中低频操作的按键来说,此寿命足以覆盖整机运行周期,例如:
家电控制面板的功能键
测试设备的模式切换键
医疗小型设备的参数设定键
车载辅助按键模块
对于高频触发应用——例如游戏输入设备、连续操作控制面板或高交互性终端——需要考虑周期负荷与触发力是否匹配。若应用场景为高频高强度操作,则需要在寿命与触发反馈之间进行更细致的权衡。
在部分设备中,轻触开关可能暴露于潮湿、汗渍、灰尘、溅水或户外空气等环境。防水结构有助于减少接触点因氧化、电化学腐蚀或水汽凝结导致的失效。在结构设计中,配合密封键帽或橡胶按键片,可以显著提升整机的环境适应性。
常见使用场景包括:
户外便携设备按键
厨房小家电控制区域
工业现场便携式测试仪表
车载环境中的潮湿场景
防水并不意味着在水下长期使用,因此仍需要根据环境等级进行匹配。对于需要高等级密封的系统,应保持按键区域整体结构的密封连续性,而不仅依赖开关本体特性。
基于上述规格与特性,KH-6X6X8H-TJ-FS 适用于多种对触发稳定性、尺寸可控性与结构兼容性有要求的场景。关键特性如 6×6mm 尺寸、8mm 高度、短行程、中等偏强力度与防水能力,使其在兼容性与可靠性之间取得平衡。
典型适用方向包括:
消费电子类设备:如遥控器、多功能键、设置键、掌上设备的模式切换与板载维护按键
工具类电子产品:在震动环境下依然保持触发稳定的操作按键
车载辅助模块:仪表、按钮面板、便携诊断设备中的物理按键
测试与测量设备:需要较明确触感与误触抑制的功能键区
医疗便携设备:参数调整键、启动键、确认键等低功耗逻辑输入
在逻辑输入中,应确认 MCU 或主控芯片的上拉电阻、抗抖策略和输入滤波是否与该开关的接触形式匹配。例如,对短行程轻触开关,应在软件层面规划合理的去抖动时间,以避免因按压速度过快产生多次触发。
在装配中,应避免因按键帽过度挤压导致开关处于持续半触发状态,从而影响寿命与触发可靠性。适当的行程补偿结构可确保开关在静态位置保持自由状态。
防水轻触开关是按键环境设计的一部分,但并不替代整体密封方案。按键区域若需要达到更高的防护等级,则需结合密封面、橡胶键片与外壳结构共同实现。
根据器件型号规范,应控制回流焊或波峰焊温度,避免内部弹片因受热变形而影响力值与接触稳定性。对于需要手工焊接的项目,应确保引脚焊点不受外力挤压。
有别于触摸按键或屏幕输入,轻触开关提供明确的物理反馈和可控的触发表现,是许多设备中不可替代的输入方式。对于追求机械反馈一致性、稳定触发与结构可控性的场景,轻触开关仍然具有重要意义。
在整个输入系统中,它承担的角色往往包括:
提供可感知的触发点位
构建明确的控制逻辑入口
提升设备在特殊环境下的可操作性(手套、震动、湿度)
实现低成本、高稳定度的输入方式
本文所讨论的 KH-6X6X8H-TJ-FS 从尺寸、力度到防水结构,都体现出轻触开关在通用电子结构中的可塑性。通过对触发行程、机械力值、耐久性与环境适应性进行综合考量,工程师可根据产品定位选择适合的轻触开关,确保交互体验与长期可靠性。

Kinghelm金航标KH-6X6X8H-TJ-FS规格书
Kinghelm金航标轻触开关 KH-6X6X8H-TJ-FS 以其 6×6×8mm 的体积、DC12V 50mA 额定参数、中等力度、短行程、防水结构及 ≥100,000 次的使用寿命,构成了紧凑型机械按键结构中的重要组成部分。在追求结构紧凑性、机械一致性和环境适应性的产品领域,该规格的轻触开关可承担关键控制功能。通过在结构设计、电路匹配、装配工艺和环境适应性方面进行系统化规划,可以使它在各种复杂应用中保持稳定的物理触发表现。
Kinghelm金航标(www.kinghelm.com.cn)从事无线信号收发、电子信号连接器及互连系统产品的设计、制造、销售和技术服务十多年,技术团队来自清华大学和电子科技大学,吸纳优秀海归人才,深耕微波射频技术领域,联合高校成立研究机构。金航标(www.kinghelm.net)获得了多项发明专利,已取得ISO9001认证和RoHS、REACH认证。IATF16949汽车质量体系认证,UL、TUV等认证在申请中。“金航标,连接世界”,从最初推出天线产品,包括北斗GPS双模天线、蓝牙、WiFi、Zigbee、NB-IoT、LORA、UWB,及配套的射频转接线;现在产品拓展到板与线的各种连接器、板端座子、接插件、信号开关系列;及汽车摩托车线束,工业、医疗、科研用特种线材,非标定制品等三大系列。金航标的兄弟公司萨科微半导体产品销往世界各地,服务超一万家客户,产品有二极管三极管、功率器件、电源管理芯片三大系列。萨科微近年来还推出霍尔传感器、ADC、BMS新产品,与金航标电子一起为电子整机产品公司提供配套服务。
宋仕强先生简介:
宋仕强先生
宋仕强先生,萨科微半导体和金航标电子两家公司的总经理,中国电子学会专家库成员、深圳华强北研究专家、专栏科普作家。宋仕强从基层技术人员干起,担任过国际地产上市公司CEO,有丰富的技术管理和企业经营的经验,将宏观经济学理论与现实中经营管理相结合,带领公司高速发展!
宋仕强先生一直关注深圳华强北,研究华强北发展模式,提炼出华强北文化。华强北的文章《华强北研究》、《华强北的转型与发展》、《驳彭博社华强北新闻》,被人民日报、新华社、美联社、雅虎新闻、华尔街日报等国内外大媒体和平台转发,《宋仕强论道华强北》等短视频集在YouTube、Tik Tok等平台热播!宋仕强为提升华强北商业环境,华强北“中国电子第一街”的国际化一直在努力,希望华强北的电子元器件销往全世界!


