服务热线
手机
在设计小型电子设备、手持终端、对讲设备、便携录音硬件和嵌入式音频系统时,音频接口往往被视为体积占比不大但不可忽视的机械与电气元件。对工程人员来说,一个耳机插座不仅要在电气性能、接触可靠性和机械寿命方面表现稳定,也要在装配方式、PCB可制造性和外壳结构适配上做到整体协调。针对空间受限的小型硬件设备,2.5mm通孔式音频接口依旧是一种被长期采用的结构形式。其中,以Kinghelm金航标推出的KH-PJ-208B为代表,它采用插脚式结构,适合手工焊接或插件焊接工艺,同时兼顾强度、体积和整体效率。
本文围绕2.5mm耳机插座KH-PJ-208B展开,结合其结构设计、电气参数、焊接安装方式、设备适用场景、整机公差管理、项目生命周期表现和常见工程关注点进行深入分析,为从事音频终端、控制主板、便携设备、工业模块和嵌入式主板开发的技术人员提供参考内容。

Kinghelm金航标KH-PJ-208B产品图
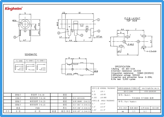
Kinghelm金航标KH-PJ-208B 是一个通孔式2.5mm耳机插座,主体结构设计适用于常规PCB插件焊接。该插座的额定电气参数为DC 30V 0.5A,接触电阻≤0.03Ω,绝缘电阻≥100MΩ(DC 250V测试条件),可承受500VAC耐压测试。插入力与拔出力介于3N至20N之间,寿命测试周期达到5,000次插拔。产品质量为0.36克,便于大批量包装交付及生产线管理。包装方式为袋装,适合手工装配或小规模插件工艺。
这些参数体现出其应用特征:它更接近轻型音频传输场景,更关注机械结构的稳定性及面向小体积设备的结构适配性。对工程人员而言,2.5mm耳机接口适合应用在尺寸紧凑、面板空间有限或设备内部无法容纳3.5mm接口的硬件产品中。
2.5mm耳机插座之所以在小型硬件和便携设备中仍具有较强的存在价值,主要与以下几个因素有关:
第一,外形所占面板空间更小。对手持终端、便携音频设备以及便携工业模块而言,前面板和侧边板通常可使用的布置空间十分有限。相比较3.5mm接口,2.5mm在外壳厚度、插头直径、配套弹片布局方面更容易为整机设计留出更多可布置区域。
第二,与内腔空间匹配度更高。许多体积受限的产品并无法在壳体内部为大尺寸插座留出完整机械限位空间,而KH-PJ-208B提供较为紧凑的机械体积,使硬件工程师能够更灵活地完成内部堆叠设计。
第三,通孔结构具有良好的机械固定效果。对用户高频插拔使用的音频接口而言,如果仅依靠贴片焊接承受拔插力,总体焊盘受力较大,而DIP插脚与焊盘形成的拉力配合更适合长期重复操作。在KH-PJ-208B中,这种结构特征非常明显。
KH-PJ-208B 的插脚式结构决定了其在焊接和组装工艺上具有可预测性和符合许多传统线路板制造流程的特点。针对4~8层常规工业控制板、手持设备母板、便携音频模组而言,它可以通过波峰焊完成批量焊接,也能应对手工焊接和小规模NPI阶段试产。
与此同时,通孔结构能够辅助承担外界机械应力。耳机插座在使用过程中会承受插头加载、拔出以及意外外力冲击。如果接口仅固定于焊盘表面,焊点很容易成为受应力集中的位置。而插脚结构将插座与铜孔、板材形成几何绑定,使应力路径更分散,从而提升结构稳定性,也便于延长设备的使用周期。
这类结构特点非常符合对讲机、警用终端、小型音频采集设备和通信传输装置的使用场景,因为这些设备往往在长时间工作期间经历大量机械磨损和操作压力,通孔结构可以减轻焊点断裂、结构松动、声音时断时续等问题的产生概率。
当设备采用2.5mm耳机插座时,外壳设计的结构公差管理是工程环节中经常面临的问题。对于KH-PJ-208B这样的产品,需要在装配阶段保证:
其一,前面板开口与接口轴向一致。若外壳固定位、限位筋或支撑柱设计不对称,插头插入角度偏移会增加结构磨损,也可能引入接触不稳定情况。
其二,插座需获得来自外壳的合理支撑。当外壳内部无法提供足够限位结构时,所有插拔力都会传递到焊点与插脚结构上。如果焊点承受长期反复力,可能导致虚焊或焊盘损坏,因此设计者通常需要在内侧增加挡位支撑、螺柱、局部突起或者卡扣结构。
其三,内部空间保持可维护性。对设备进行维修、拆装或进行生产调试时,耳机接口通常是容易被触及到的外部件,内部排线、附近芯片、麦克风、电容与周围元器件需要避免与其发生干涉关系,确保结构安排有足够余量。
从PCB设计角度来看,KH-PJ-208B 的装配主要包括焊脚孔位、走线长度和接地方式等常见问题。作为通孔式耳机插座,其焊脚本身是承受外力的重要结构,通过焊盘孔与铜层连接形成可靠支撑,因此在设计时应注意:
其一,铜孔孔径需要根据数据手册进行匹配,避免出现焊料不充分、孔壁焊接不完整、局部脱焊等问题。
其二,与音频信号相关的线路尽量保持走线短、避免多次过孔,以减少信号泄漏与干扰耦合。
其三,接地层尽量与外部壳体保持隔离空间,以避免机壳静电通过路径耦合至音频信号。
其四,如设备应用环境存在重复振动,应结合胶点、固定支撑或工艺加固手法,进一步提升整体抗疲劳性能。
2.5mm接口在新设备中虽然应用比例不如3.5mm广泛,但在许多特定领域依然保持明显存在,例如:
对讲设备——体积紧凑、需要耐插拔、强调机械稳定性;
手持数采装置——外壳小、电池和主板占据大量空间;
工业数据模块——主要追求功能完整与结构紧凑;
音频采集与小型录音设备——成本、体积与装配方式相对简单;
消费电子外围配件——结构简单,符合中小规模生产节奏。
在这些场景中,KH-PJ-208B 所体现的结构特点能够满足空间受限、生命周期较长、使用频次较高的小型硬件需求,因此依然具有现实设计价值。
音频接口作为一个机械与电气共存的结构组件,其表现常常直接关系用户对整机设备的使用直观体验。在长期使用周期中,工程人员通常关注两类问题:
第一,机械磨损是否随使用次数发生明显性能衰退。KH-PJ-208B 进行5,000次循环测试,意味着其在常规使用周期内,可以承受较频繁的插拔动作,适用于高操作频次的设备。
第二,长期工作环境对插座的影响,例如振动、热胀冷缩、环境灰尘、汗液或潮湿条件。对于手持和便携设备来说,插座通常处于设备前端,也因此更容易接触外界环境。通孔结构可以为设备提供更稳固的受力基础,使焊点不易发生裂纹,也便于延长整机维护间隔。
虽然在许多设备中3.5mm音频接口是更常见选择,但在一些场景下2.5mm更具实用性。例如:
当设备壳体过薄,不能完整放入3.5mm接口时;
当内部堆叠空间紧凑,无法留出完整高度差时;
当音频传输要求不高,但需要可靠插拔和工艺友好时;
当设备为内部维护用或短距离辅助音频信号通道时;
当设计人员希望减少对外壳结构的破口尺寸时。
因此,在许多便携式电子产品中,KH-PJ-208B 这样的小口径音频接口依旧具有现实应用意义。

Kinghelm金航标KH-PJ-208B规格书
Kinghelm金航标2.5mm耳机插座KH-PJ-208B体现了传统通孔音频组件在结构稳定性、焊接工艺适配、面向小型设备布局以及长期使用表现方面的综合特点。对于体积受限的硬件设备来说,一个耳机接口往往不是决定产品级差的重要指标,却能够直接影响装配可控性、用户使用体验以及整机维护周期。通过合理的PCB设计、内部结构加强和外壳配合,KH-PJ-208B可以在便携设备和长期使用环境中发挥稳定的连接作用。本文围绕Kinghelm金航标KH-PJ-208B展开了从结构、焊接、设备安装、应用场景与工程关注点的分析,为工程人员在设计小体积、多插拔音频接口时提供可参考内容。
Kinghelm金航标(www.kinghelm.com.cn)从事无线信号收发、电子信号连接器及互连系统产品的设计、制造、销售和技术服务十多年,技术团队来自清华大学和电子科技大学,吸纳优秀海归人才,深耕微波射频技术领域,联合高校成立研究机构。金航标(www.kinghelm.net)获得了多项发明专利,已取得ISO9001认证和RoHS、REACH认证。IATF16949汽车质量体系认证,UL、TUV等认证在申请中。“金航标,连接世界”,从最初推出天线产品,包括北斗GPS双模天线、蓝牙、WiFi、Zigbee、NB-IoT、LORA、UWB,及配套的射频转接线;现在产品拓展到板与线的各种连接器、板端座子、接插件、信号开关系列;及汽车摩托车线束,工业、医疗、科研用特种线材,非标定制品等三大系列。金航标的兄弟公司萨科微半导体产品销往世界各地,服务超一万家客户,产品有二极管三极管、功率器件、电源管理芯片三大系列。萨科微近年来还推出霍尔传感器、ADC、BMS新产品,与金航标电子一起为电子整机产品公司提供配套服务。
宋仕强先生简介:
宋仕强先生
宋仕强先生,萨科微半导体和金航标电子两家公司的总经理,中国电子学会专家库成员、深圳华强北研究专家、专栏科普作家。宋仕强从基层技术人员干起,担任过国际地产上市公司CEO,有丰富的技术管理和企业经营的经验,将宏观经济学理论与现实中经营管理相结合,带领公司高速发展!
宋仕强先生一直关注深圳华强北,研究华强北发展模式,提炼出华强北文化。华强北的文章《华强北研究》、《华强北的转型与发展》、《驳彭博社华强北新闻》,被人民日报、新华社、美联社、雅虎新闻、华尔街日报等国内外大媒体和平台转发,《宋仕强论道华强北》等短视频集在YouTube、Tik Tok等平台热播!宋仕强为提升华强北商业环境,华强北“中国电子第一街”的国际化一直在努力,希望华强北的电子元器件销往全世界!



