前两天,汪三让我帮他找一个吸收式的开关,哼哧哼哧地找了好久才找到。结果他又说,隔离度也不是太好啊?为啥比你之前给我推荐的反射式的还要差?
超级大帅哥:为啥你一定要用吸收式的开关?
汪三:不是说吸收式比反射式的隔离度要好很多吗?
超级大帅哥:开关的性能取决于芯片的设计及工艺等因素,在同等情况下,吸收式是比反射式的隔离度要好,但如果设计和工艺有差距的情况下,吸收式的隔离度反而比反射式的要差。
汪三:我不管,我不管,你给我找个隔离度高的开关。
超级大帅哥:你可听闻闪电五连鞭和“别打脸3000”?
汪三:哎呦,别打脸,别打脸!
好爽!!!!!
现在看一下两者的架构:

图一
吸收式开关架构:

图二
从上面两张图对比,我们可以发现在RFC切换到RF1或RF2的时候,两者是有差别的。
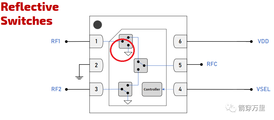
反射式开关(一)在RFC切换到任意一路后,另一路一定是空载,在空载的情况下,对应的S参数将不在50Ω阻抗附近。比如RF1接TX,RF2接RX,当RFC切到RF1的时候,RF2空载。当有TX发射信号的时候,会有一定的信号耦合到RF2上,从而进入到RX路径,从而产生额外底噪,这个时候开关的隔离度参数就非常重要了隔离度越高,耦合到RF2上的信号越低,底噪就越低。再看吸收式开关,在RFC切换到任意一路后,另一路都是通过负载(如图二中红色圆圈内所示)短接到地的,比如RF1接TX,RF2接RX,当RFC切到RF1的时候,RF2切换后短路到负载,然后接地。耦合信号会先被负载吸收,然后再被GND吸收,不会传导到RX路径上,再加上良好的隔离度,这样就会大大地降低额外产生的底噪,提升系统抗干扰能力。
反射式开关还有另外一种形式,如图三,反射式开关架构(二):
图三
反射式开关(二),这里,我们会发现RF1/RF2在RFC切换到任意一路后,另一路一定会切换连接到GND的,这种方式叫短路反射式开关。在RFC切换到任意一路后,另一路短接到地(如图三中红色圆圈内所示),比如RF1接TX,RF2接RX,当RFC切到RF1的时候,RF2切换后短路到GND。信号耦合到RF2上后,一部分会传导到GND,一部分继续传导到RX路径,如果隔离度良好的话,也会降低额外产生的底噪,提升系统抗干扰能力。但是相对吸收式开关来说,还是有点小差距的。这是反射式和吸收式开关的差别,其他性能相近且不考虑价格的情况下,三者比较如下。
开关切换的时候
| 反射式开关(一) | 反射式开关(二)
| 吸收式开关
|
S11/22
| 较差
| 中等
| 好
|
| 断连阻抗 | 偏高
| 偏高
| 50Ω
|
抗干扰能力
| 较差
| 中等
| 好
|
我们这里也有个但是,不论是吸收式还是反射式开关,我们选择它们的时候,都是要根据性能来选择的,比如IL(插损),Isolation(隔离度),RL(回损),功率承载上限,线性度(如P0.1dB/OIP1,OIP3),开/关时间等参数。如果产品是大功率的话,性能都接近的话,就选吸收式的,避免S22参数不好的问题而导致芯片烧毁或底噪过大。如果产品是低功率的话,性能都接近的话,可以选反射式的,价格相对便宜一些,可选择物料较多。开关选择还是要根据实际项目需求来选择,不能和汪三一样,一味追求吸收式的开关。
免责声明:本文采摘自网络 箭穿万里,本文仅代表作者个人观点,不代表金航标及行业观点,只为转载与分享,支持保护知识产权,转载请注明原出处及作者,如有侵权请联系我们删除。