技术应用
技术应用
Kinghelm金航标3.5mm耳机座 KH-PJ-313E-8P-SMT:基于贴片结构的音频连接器工业化设计分析
2025-11-21 67
<span style="font-family: 宋体, SimSun; font-size: 18px; color: #262626;">3.5mm耳机座 KH-PJ-313E-8P-SMT:基于贴片结构的音频连接器工业化设计分析</span>

在现代音频设备生产体系中,3.5mm耳机接口依然是多类设备长期沿用的机械式音频连接方式。无论是消费电子、教育终端、仪器仪表、车载音频控制模块、便携播放器、工业声学设备,还是调试类辅助仪器,仍有大量产品保留基于插孔的有线音频传输。本文以 Kinghelm 金航标 KH-PJ-313E-8P-SMT 耳机座为核心,重点讨论其贴片式结构的工业化实现方式、工程逻辑、制造适配特征、PCB 布局考虑以及在生产链中的作用,为工程与产品技术相关人员提供可参考的技术信息。


Kinghelm金航标KH-PJ-313E-8P-SMT产品图


产品基础信息与结构定位

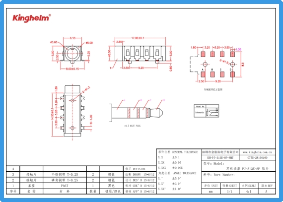
KH-PJ-313E-8P-SMT 属于 3.5mm耳机座产品,结构类型为 4 节触点设计,采用 SMD 贴片封装,并支持编带包装,能够直接结合自动化贴片工序投放于大批量生产线。其产品定位属于音频连接器范畴,主要用于建立模拟音频信号的物理通道,通过机械接触实现耳机插入状态的建立、触点分配、电路切换与信号通路形成。


机械式音频接口在电子设备中的现实意义

1.无需协议依赖,直接完成物理音频通道建立

3.5mm 音频接口是一种不依赖协议信号的纯物理传输方式。在一些需要快速导通、无需上位机协议握手、无须编解码转换以及需要长期运行可靠性的设备中,模拟插孔依然具有现实意义。例如音频测量仪器、教学广播设备、车载音频报警模块、语音交互面板、音频工程设备等场景,在电气层面往往更强调信号可直接建立、易测试、易维护。

2.操作路径可见、维护难度低

由于机械结构具有直观的插拔形态,排故、检测、返修、抽检都可以通过可见性进行处理,省去了对软件协议栈、通信加密、硬件编解码芯片的依赖,降低测试门槛和维护成本。在小批量维护周期长、中后期淘汰周期不短的行业中,这种结构仍具备适配性。

3.用户习惯长期稳定

虽然无线音频增长明显,但在教育、办公、便携录音、调试设备、音频播放器等领域,用户仍保持使用有线耳机或头戴式耳机的操作方式。这意味着对于大量中小型电子品牌和 ODM/OEM 工厂而言,继续保留耳机接口仍是实用而自然的工业化选择。


KH-PJ-313E-8P-SMT 的触点结构与功能逻辑

“四节”结构的电气分配特性

KH-PJ-313E-8P-SMT 采用 4 节触点结构,可实现模拟音频左右声道以及公共通路接触,同时支持插入检测结构。也就是说,设备可以通过插入动作改变某一路电路的通断状态,用于:

  • 检测耳机是否插入

  • 切换外放喇叭与耳机输出

  • 在插入瞬间形成常闭触点断开或常开触点闭合

  • 无需 MCU 参与即可完成基本电路控制

这类电气行为由机械接触点实现,于不依赖协议、不依赖固件逻辑的分层结构具有工程意义,尤其适用于产品在极端条件下的长期稳定运行需求。


SMD 贴片结构带来的生产组织价值

1.适配现代化自动贴片产线

相比插件式(DIP)插座,SMD 结构可通过 SMT 贴装完成生产,不需要额外人工焊接或波峰焊工艺,不仅可以减少生产工序,还能提高产线一致性。这对于需要建立长期规则化生产节奏的企业具有现实作用,包括:

  • 减少人工参与,控制产线人力成本

  • 更易匹配工厂已有的自动焊接与质量检测流程

  • 利于间距统一、焊盘构型一致,提升一致性控制效果

2.编带包装增加装配效率

KH-PJ-313E-8P-SMT 支持编带包装,这一点决定了它可以直接进入高速贴片机。具体包括:

  • 减少人工单件上料操作

  • 提高单班生产放量能力

  • 可单体加入视觉或定位检测工序

  • 利于推行可追溯型生产管理

在大批量消费类音频设备生产中,这类可预见的工程效率优化是推动产业链稳定运行的关键。


PCB 布局与结构设计的工程考虑

1.焊盘尺寸与应力分布

SMD 音频插座在插拔过程中会承受外部结构力,因此比纯贴片信号器件需要更多结构考虑,重点包括:

  • 焊盘大小不能过于紧凑,否则应力集中

  • 焊盘与设备壳体需协同承担水平剪切力

  • 必要时可增加定位柱或加强焊盘

如果整机插拔频繁,设计人员需在结构端引入额外的定位或防松动结构,以避免 PCB 上单体受力过大。

2.音频信号走线的实际考量

虽然 3.5mm 插孔传输为模拟信号,但依然涉及信号纯净度控制,一般合理设计方式包括:

  • 左右声道尽量等长走线,降低相位偏差

  • 与高频或大电流线路保持物理间隔

  • 必要时增加地参考平面

  • 对接接口一端处可加入简单 RC 滤波结构

相比数字化结构,这类模拟传输更依赖环境干扰管理,因此 PCB 布局需要结合具体噪声来源进行合理规避。

3.插入检测触点的逻辑处理方式

KH-PJ-313E-8P-SMT 的插入检测结构既可以直接构成电路切换,也可以通过 MCU 检测电平变化建立设备对插入状态的感知。例如:

  • 耳机插入即断开喇叭路径

  • 插入后向控制芯片输出低电平检测信号

  • 触点用于语音播报设备模式切换

由于检测触点为机械结构,部分整机产品在使用中需要考虑去抖处理或滤波补偿。


与 DIP 插座的对比思路

许多产品在结构设计阶段需要在 SMD 与 DIP 两种封装方式中进行取舍。KH-PJ-313E-8P-SMT 作为贴片式结构,其决策价值可归纳为:

  • 有利于主流自动贴片产线

  • 减少手工焊接环节,提高一致性

  • 对设备装配节拍影响更小

  • 在插拔频率较高应用中需考虑额外应力设计

若生产规模大、节拍严格、生产线以 SMT 为中心,则 SMD 封装具有优势;若设备插拔力非常大且结构空间紧凑,则 DIP 在抗外力方向更具可靠性。设计人员一般需要结合产品定位进行判断,而不是仅基于单项指标做选择。


适用领域的现实范围

KH-PJ-313E-8P-SMT 所处的产品类型,在以下领域具有长期存在基础:

  • 传统消费电子(录音笔、播放器、收音机设备)

  • 教育系统终端(教学设备、听力室终端)

  • 车载音频控制模块

  • 便携声学设备或语音交互设备

  • 仪器仪表、调试装置、适配器

  • 手持工控终端或维护工具

许多行业并未完全迁移至无线音频方案,而是保有长期稳定的机械接口需求,因此 3.5mm 耳机插孔仍有工程与商业现实。


工业化视角下的持续意义

从产业链角度来看,KH-PJ-313E-8P-SMT 所代表的 SMD 耳机插座体现了“成熟结构+规范工艺+可持续制造”的特点。其价值不在于技术新颖,而在于:

  • 广泛兼容既有音频方案与产品体系

  • 可配置于长期维护周期较长的行业设备

  • 制造路径明确,便于形成大批量标准化运作

  • 可平稳接入 SMT 产线并支持可控成本管理

在连接器这样产业基础较稳定的零部件领域,这类可大规模复制、可预测制造、维护逻辑透明的产品,更接近工程决策者实际关注的维度。


Kinghelm金航标KH-PJ-313E-8P-SMT规格书


结语

Kinghelm金航标 KH-PJ-313E-8P-SMT 并不依靠概念创新,而是依托成熟可见的结构逻辑、明确的电气行为、在生产端表现出的可预测性,以及与主流贴片产线匹配的工业特性,持续在当前的电子设备制造体系中发挥作用。对于工程团队而言,它代表了一种在规模生产中具备现实价值的音频连接方式,其存在意义更多体现在结构逻辑明确、维护路径清晰、生产节拍稳定,而不是技术宣传中的单点性能指标比较。对于需要生产周期可靠、交付节拍稳定、测试维护透明的设备制造者而言,这类机械耳机插座仍具有长期价值。


Kinghelm金航标(www.kinghelm.com.cn)从事无线信号收发、电子信号连接器及互连系统产品的设计、制造、销售和技术服务十多年,技术团队来自清华大学和电子科技大学,吸纳优秀海归人才,深耕微波射频技术领域,联合高校成立研究机构。金航标(www.kinghelm.net)获得了多项发明专利,已取得ISO9001认证和RoHS、REACH认证。IATF16949汽车质量体系认证,UL、TUV等认证在申请中。“金航标,连接世界”,从最初推出天线产品,包括北斗GPS双模天线、蓝牙、WiFi、Zigbee、NB-IoT、LORA、UWB,及配套的射频转接线;现在产品拓展到板与线的各种连接器、板端座子、接插件、信号开关系列;及汽车摩托车线束,工业、医疗、科研用特种线材,非标定制品等三大系列。金航标的兄弟公司萨科微半导体产品销往世界各地,服务超一万家客户,产品有二极管三极管、功率器件、电源管理芯片三大系列。萨科微近年来还推出霍尔传感器、ADC、BMS新产品,与金航标电子一起为电子整机产品公司提供配套服务。

 

 

宋仕强先生简介:

 

宋仕强先生

宋仕强先生,萨科微半导体和金航标电子两家公司的总经理,中国电子学会专家库成员、深圳华强北研究专家、专栏科普作家。宋仕强从基层技术人员干起,担任过国际地产上市公司CEO,有丰富的技术管理和企业经营的经验,将宏观经济学理论与现实中经营管理相结合,带领公司高速发展!

宋仕强先生一直关注深圳华强北,研究华强北发展模式,提炼出华强北文化。华强北的文章《华强北研究》、《华强北的转型与发展》、《驳彭博社华强北新闻》,被人民日报、新华社、美联社、雅虎新闻、华尔街日报等国内外大媒体和平台转发,《宋仕强论道华强北》等短视频集在YouTube、Tik Tok等平台热播!宋仕强为提升华强北商业环境,华强北“中国电子第一街”的国际化一直在努力,希望华强北的电子元器件销往全世界!


北斗/GPS天线咨询

板端座子咨询

连接器咨询

获取产品资料