技术应用
技术应用
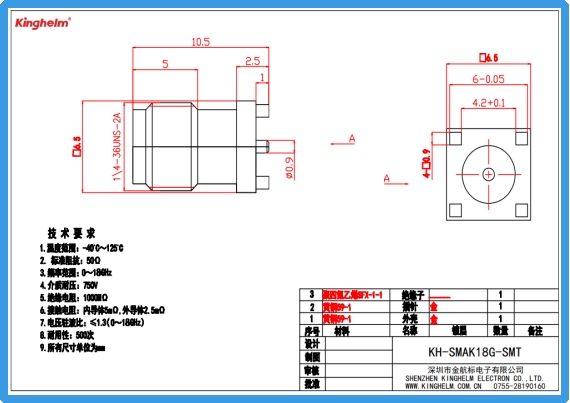
Kinghelm金航标高性能SMA贴片母头KH-SMAK18G-SMT详解:保障18GHz信号完整性
2025-12-06 108

在现代高频通信与高速电子系统中,信号完整性是决定整体性能的关键。作为信号传输链路中的关键界面,射频连接器的品质直接影响到系统的带宽、损耗与稳定性。金航标电子(Kinghelm)推出的KH-SMAK18G-SMT型SMA母头贴片连接器,正是为应对18GHz高频挑战而设计的高性能解决方案。本文将深入剖析其如何通过精心的设计与精湛的工艺,为高频信号提供可靠保障。

Kinghelm金航标KH-SMAK18G-SMT产品图

一、高频性能的核心:稳定的18GHz传输能力

金航标KH-SMAK18G-SMT连接器最核心的出众特性,在于其对高达18GHz工作频率的全面支持。这一指标并非简单的参数标注,而是通过精密的内部结构设计、优异的介质材料选择以及准确的阻抗控制来实现的。在从直流至18GHz的宽频范围内,该连接器能维持极低的电压驻波比与插入损耗,确保微波信号在通过连接界面时,反射最小、能量传输效率最高。这对于5G通信、卫星收发、高端测试仪器等前沿应用而言,是保障系统整体性能达标的基石。

二、优异的电气参数:信号完整性的坚实基础

优异的电气性能是连接器高可靠性的根本。KH-SMAK18G-SMT在多项关键电气参数上表现出色

极高的绝缘电阻(≥1000MΩ):有效防止了信号通道间的泄漏和串扰,确保了通道的高隔离度,在多通道或高密度集成应用中尤为重要。

极低的接触电阻:内导体接触电阻≤5mΩ,外导体≤2.5mΩ。极低的电阻值直接转化为更小的信号衰减(插入损耗)和更低的发热,提升了系统能效与长期运行稳定性。

高耐电压(AC 750V):提供了充足的电气安全裕度,能够承受瞬时浪涌冲击,保护后端敏感的射频芯片与电路。

这些电气特性共同作用,构建了一个纯净、高效、安全的信号传输通道,从物理层面保障了信号的完整性。

三、结构设计与工艺:可靠连接的物理保障

为实现上述电气性能,KH-SMAK18G-SMT在机械结构与工艺上采用了多项可靠设计:

SMD贴片封装:采用表面贴装形式,完美适配现代自动化SMT生产工艺,不仅提升了PCB组装的一致性与效率,还有利于实现设备的小型化和高密度布局。优化的焊盘设计确保了焊接的牢固性和良好的接地连续性。

精密的接口结构:严格遵循SMA接口标准,内部接触件采用高品质弹性材料与精加工工艺,确保与标准SMA公头连接器插配时,具有稳定的接触力和持久的机械耐久性,经受多次插拔仍能保持性能。

坚固的材质与镀层:外壳采用耐用金属材料,结合优化的镀层工艺(如内导体镀金),在保证优异导电性和耐腐蚀性的同时,增强了连接器的整体机械强度。

四、宽温域下的稳定表现:应对严苛环境挑战

电子设备的工作环境日益复杂,温度是影响元器件性能的关键因素。KH-SMAK18G-SMT具备宽广的操作温度范围(-40℃至+125℃)。这一特性意味着,无论设备处于严寒的户外环境,还是在内部高功率运行产生局部高温的工况下,该连接器均能保持电气性能的稳定,不会因温度循环而产生性能劣化或物理失效。这种环境适应性使其能够广泛应用于车载通信、户外基站、航空航天及工业设备等要求严苛的领域。

五、典型应用场景

凭借其优异综合性能,金航标KH-SMAK18G-SMT连接器已成为多个高技术领域的优选:

5G与基站设备:用于AAU、RRU等设备的板级射频互联,支撑毫米波频段的高质量信号传输。

测试测量系统:作为网络分析仪、频谱仪等精密仪器的标准输入/输出端口,是测试准确度的基础。

卫星通信与导航:应用于地面站射频前端及高精度导航接收模块,保障微弱卫星信号的可靠连接。

雷达与高速数据链路:在相控阵雷达模块、微波回传设备中,实现高频信号的可靠馈送。

Kinghelm金航标KH-SMAK18G-SMT规格书

六、总结

金航标KH-SMAK18G-SMT SMA母头贴片连接器,绝非一个普通的连接元件。它是通过心的材料科学、电磁设计与制造工艺融合的成果,旨在专门解决18GHz高频应用中的信号完整性挑战。其出众的高频带宽、优异的电气参数、可靠的机械结构以及宽泛的环境适应性,共同构成了其在高端射频互联领域中的核心竞争优势。在频率资源日益紧张、通信速率不断提升的今天,选择此类高性能、高可靠的连接器,是工程师确保产品设计成功、性能可靠的重要一步。


Kinghelm金航标(www.kinghelm.com.cn)从事无线信号收发、电子信号连接器及互连系统产品的设计、制造、销售和技术服务十多年,技术团队来自清华大学和电子科技大学,吸纳优秀海归人才,深耕微波射频技术领域,联合高校成立研究机构。金航标(www.kinghelm.net)获得了多项发明专利,已取得ISO9001认证和RoHS、REACH认证。IATF16949汽车质量体系认证,UL、TUV等认证在申请中。“金航标,连接世界”,从最初推出天线产品,包括北斗GPS双模天线、蓝牙、WiFi、Zigbee、NB-IoT、LORA、UWB,及配套的射频转接线;现在产品拓展到板与线的各种连接器、板端座子、接插件、信号开关系列;及汽车摩托车线束,工业、医疗、科研用特种线材,非标定制品等三大系列。金航标的兄弟公司萨科微半导体产品销往世界各地,服务超一万家客户,产品有二极管三极管、功率器件、电源管理芯片三大系列。萨科微近年来还推出霍尔传感器、ADC、BMS新产品,与金航标电子一起为电子整机产品公司提供配套服务。

 

 

宋仕强先生简介:

 

宋仕强先生

宋仕强先生,萨科微半导体和金航标电子两家公司的总经理,中国电子学会专家库成员、深圳华强北研究专家、专栏科普作家。宋仕强从基层技术人员干起,担任过国际地产上市公司CEO,有丰富的技术管理和企业经营的经验,将宏观经济学理论与现实中经营管理相结合,带领公司高速发展!

宋仕强先生一直关注深圳华强北,研究华强北发展模式,提炼出华强北文化。华强北的文章《华强北研究》、《华强北的转型与发展》、《驳彭博社华强北新闻》,被人民日报、新华社、美联社、雅虎新闻、华尔街日报等国内外大媒体和平台转发,《宋仕强论道华强北》等短视频集在YouTube、Tik Tok等平台热播!宋仕强为提升华强北商业环境,华强北“中国电子第一街”的国际化一直在努力,希望华强北的电子元器件销往全世界!


北斗/GPS天线咨询

板端座子咨询

连接器咨询

获取产品资料