热线
手机
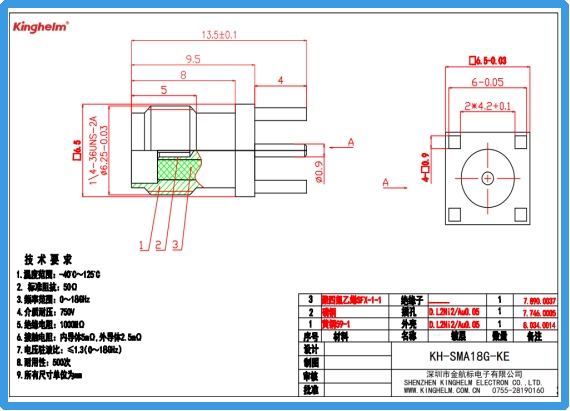
在5G、卫星通信、雷达、航空航天、测试仪表等高频应用领域,一款优秀射频同轴连接器的价值往往被低估。它看似只是一个小小的金属部件,却直接决定着信号能否以最小的损耗、最低的反射、最稳定的性能传达到目的地。金航标(Kinghelm)最新推出的 KH-SMA18G-KE SMA母头直插板端连接器,正是一款专为18GHz以内高频场景量身打造的“信号卫士”,用实力诠释了什么叫“快、准、稳”。

Kinghelm金航标KH-SMA18G-KE产品图
18GHz 带宽:真正意义上的“高频实力派”
金航标 KH-SMA18G-KE 的频率范围覆盖 DC~18GHz,这意味着它可以轻松应对 Sub-6GHz 5G、Ku 波段卫星通信、X 波段雷达以及大部分毫米波前端测试场景。相比传统只做到 6GHz 或 12.4GHz 的普通 SMA 连接器,KH-SMA18G-KE 在更高频段仍能保持极低的插入损耗(典型值 ≤0.15dB@18GHz)和优异的回波损耗(≥20dB),真正做到了“频率越高,表现越稳”。
这种高频实力背后,是金航标在材料与工艺上的高追求:
- 内导体采用镀金铍青铜,弹性好、硬度高,多次插拔仍能保持低接触电阻(≤5mΩ);
- 外导体采用黄铜镀金,既保证了良好的导电性,又兼顾成本与耐腐蚀性;
- 绝缘介质选用高性能 PTFE(聚四氟乙烯),介电常数稳定、损耗角正切极低,确保信号在 18GHz 时几乎不被“吃掉”。
“快”:极低信号延迟与相位稳定度
在相控阵雷达、5G Massive MIMO、高速数据采集等对相位要求严苛的系统中,连接器带来的相位抖动哪怕只有几度,都可能导致波束指向偏移或数据误码。KH-SMA18G-KE 通过精密的同轴结构设计和严格的公差控制,将相位一致性做到行业出众水平。即使在 -40℃ 到 +125℃ 的极端温区内,相位漂移也极小,让系统工程师可以真正“放心插上就用”。
“准”:超低接触电阻与高绝缘强度
官方数据表明:
- 内导体接触电阻 ≤5mΩ,外导体 ≤2.5mΩ;
- 绝缘电阻 ≥1000MΩ;
- 耐电压 AC 750V(海平面)。
这些数字意味着什么?在高功率发射场景下(如 30W 以上的射频前端),KH-SMA18G-KE 依然能保持极低的温升和极高的可靠性,几乎杜绝了因接触不良导致的打火、信号中断或元件烧毁风险。同时 1000MΩ 的绝缘电阻也让它在复杂电磁环境中具备极强的抗干扰能力。
“稳”:机械寿命与环境适应性双保险
- 500 次插拔后接触电阻变化极小,仍能满足初始指标;
- 工作温度范围 -40℃ 至 +125℃,覆盖绝大部分军品、车载、户外基站的使用场景;
- 符合 RoHS 环保要求,三防(盐雾、霉菌、湿热)性能优异。
直插板端(Vertical PCB Mount)设计让它在空间紧凑的模块化设备中安装异常方便,配合 0.8mm 或 1.0mm 厚的 PCB 都能实现完美的 50Ω 阻抗匹配,省去了传统弯角连接器带来的额外损耗与装配难度。
典型应用场景一览
1. 5G AAU/RRU 射频单元:18GHz 带宽完美覆盖 n78/n79 等主流频段;
2. 相控阵雷达 T/R 组件:低相位噪声、高一致性;
3. 卫星通信地面站:Ku 波段上行链路高可靠性连接;
4. 矢量网络分析仪、频谱仪校准套件:实验室级精度;
5. 无人机图传与测控链路:轻量化与高频性能兼得(单只仅 1.9g)。

Kinghelm金航标KH-SMA18G-KE规格书
为什么选金航标 KH-SMA18G-KE 而不是进口知名品牌?
首先,性能对标或超越国际一线品牌在 18GHz 段的同类产品;其次,国产供应链带来的具竞争力的价格与交期;最后,金航标提供从设计选型、打样到量产的一站式服务,工程师沟通零时差。
当你的系统需要跑满 18GHz,却又不想为一个连接器付出过高成本时,KH-SMA18G-KE 给出了最务实的答案:它不玩虚概念,只用实打实的电气指标和可靠性说话。
信号传输的世界里,从来没有“差不多就好”。只有真正做到“快、准、稳”的连接器,才配得上那些追求较佳性能的系统。金航标 KH-SMA18G-KE,就是这样一款愿意把每一毫欧、每一度、每一分贝都做到最好的射频连接器。
下一次,当你的射频链路需要一款能在 18GHz 仍游刃有余的 SMA 母头时,记得试试 KH-SMA18G-KE。它很小,却能让你的信号跑得更快、更准、更稳。
Kinghelm金航标(www.kinghelm.com.cn)从事无线信号收发、电子信号连接器及互连系统产品的设计、制造、销售和技术服务十多年,技术团队来自清华大学和电子科技大学,吸纳优秀海归人才,深耕微波射频技术领域,联合高校成立研究机构。金航标(www.kinghelm.net)获得了多项发明专利,已取得ISO9001认证和RoHS、REACH认证。IATF16949汽车质量体系认证,UL、TUV等认证在申请中。“金航标,连接世界”,从最初推出天线产品,包括北斗GPS双模天线、蓝牙、WiFi、Zigbee、NB-IoT、LORA、UWB,及配套的射频转接线;现在产品拓展到板与线的各种连接器、板端座子、接插件、信号开关系列;及汽车摩托车线束,工业、医疗、科研用特种线材,非标定制品等三大系列。金航标的兄弟公司萨科微半导体产品销往世界各地,服务超一万家客户,产品有二极管三极管、功率器件、电源管理芯片三大系列。萨科微近年来还推出霍尔传感器、ADC、BMS新产品,与金航标电子一起为电子整机产品公司提供配套服务。
宋仕强先生简介:
宋仕强先生
宋仕强先生,萨科微半导体和金航标电子两家公司的总经理,中国电子学会专家库成员、深圳华强北研究专家、专栏科普作家。宋仕强从基层技术人员干起,担任过国际地产上市公司CEO,有丰富的技术管理和企业经营的经验,将宏观经济学理论与现实中经营管理相结合,带领公司高速发展!
宋仕强先生一直关注深圳华强北,研究华强北发展模式,提炼出华强北文化。华强北的文章《华强北研究》、《华强北的转型与发展》、《驳彭博社华强北新闻》,被人民日报、新华社、美联社、雅虎新闻、华尔街日报等国内外大媒体和平台转发,《宋仕强论道华强北》等短视频集在YouTube、Tik Tok等平台热播!宋仕强为提升华强北商业环境,华强北“中国电子第一街”的国际化一直在努力,希望华强北的电子元器件销往全世界!


