热线
手机
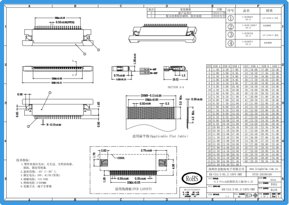
在电子设备不断向轻薄化、高密度与高性能迈进的时代,每一个连接器都不仅仅承担“通路”角色,更是产品稳定性与体验品质的关键基石。Kinghelm金航标推出的FPC连接器KH-CL0.5-H1.2-15PS-SMT ,正是为应对未来电子产品对“更小、更快、更稳”需求而打造的一款精密连接方案。它以 0.5mm 超细间距、H1.2mm 低矮拉拔结构、卧式上接设计、15PIN 配置,在紧凑空间中提供高效传输,为新一代轻薄设备打造更坚实的电子基础系统。
智能穿戴、可折叠设备、摄像模组、VR/AR 终端、便携式工业仪表……这些产品对连接器的要求,已经远远超出传统能力:
既要小尺寸,又要高稳定;既要高密度,又要易量产;既要支持频繁动作,又要保持长期可靠。
FPC连接器KH-CL0.5-H1.2-15PS-SMT 正是在这种趋势下诞生的未来型连接器:
0.5mm 间距,实现更高布线密度,为紧凑结构留出更多释放空间。
H1.2mm 超薄高度,适合轻薄设备叠层布局。
卧式上接设计,满足主流设备的FPC走线方向,布局更灵活。
SMT 工艺 + 编带包装,适配高速贴片生产线,量产更高效。
当设备越来越小、功能越来越多,这类具备未来规格的精密连接器,将成为电子工程师布局新产品时不可或缺的基础模块。

Kinghelm金航标KH-CL0.5-H1.2-15PS-SMT产品图
作为FPC连接领域的关键器件,该产品不仅在结构上追求优质,同时也具备行业优异的电气性能,使其能适应多类高要求应用。
额定电压:50V AC/DC,覆盖更多信号及低功率传输需求。
接触电阻:≤0.03Ω,确保信号低损耗传输,提高系统稳定性。
绝缘电阻:≥500MΩ,提供极高的安全裕度。
温度范围:-25℃ ~ 85℃,满足消费电子与轻工业环境。
端子全雾锡电镀,提升焊接可靠性与抗氧化能力。
无论用于高速信号、显示模组、摄像头、触控模块、感应器,还是微型通信终端,本产品都能保持稳定持久的性能输出。
重量仅 0.49g,几乎不会增加整机负担。对于当下追求极轻薄的智能产品来说,这样的设计不仅节省体积,也为结构工程提供了更多弹性空间。
它适用于:
1. 智能手表、智能手环等可穿戴终端
2. 影像模组、微型摄像头
3. TWS耳机与充电盒内部模组
4. 智能家居设备核心板
5. 医疗便携检测设备
6. 工业级手持仪器
7. 小型无线通信模块
轻量化、高可靠度、易量产,是它在复杂多变的电子市场中脱颖而出的原因。
行业对连接器的需求正在发生明显变化:
更高的布线密度
0.5mm 间距让整机可在有限空间实现更多功能模块堆叠。
更可靠的结构扣合能力
H1.2mm 拉拔式结构让FPC插接更稳固,抗震动、抗位移能力更强。
更优异的信号完整性
极低接触电阻与高绝缘,确保高速信号跨模块传输稳定可靠。
更环保、更耐腐蚀的电镀工艺
全雾锡电镀提升焊接润湿性、抗氧化能力及长期可靠性。
KH-CL0.5-H1.2-15PS-SMT 不仅是当前设计的优选,更是为未来三到五年的产品发展方向提前布局的连接器方案。
作为国内技术实力雄厚的连接器制造企业,Kinghelm金航标始终坚持以严谨工艺与技术创新驱动产品升级。在制造端,金航标依托 广西鹿寨县现代化生产基地,建有智能化柔性产线,可实现 大批量、高一致性、短周期 的产品交付。创新的自动化设备与精密检测流程,使每一只连接器都在高标准下完成生产与验证。
公司建立了覆盖 产品设计、工程制图、模具开发、可靠性检测、规模量产 的完整体系。从初期研发到成品出厂,全流程由金航标自主掌控,确保设计理念与性能目标得到真正落地。
依托完善的研发平台与柔性制造能力,金航标可提供 非标天线、定制线束、连接器 的一站式开发服务,不仅能够批量交付标准产品,更能快速响应客户的定制化需求,让更多企业拥有高可靠互连方案。
这也让 KH-CL0.5-H1.2-15PS-SMT 不仅是一款优质产品,更是金航标体系化能力的代表作。

Kinghelm金航标KH-CL0.5-H1.2-15PS-SMT规格书
在轻薄化、高速化、多功能化不断发展的今天,Kinghelm金航标KH-CL0.5-H1.2-15PS-SMT以其微型结构、稳定电气性能、高可靠扣合设计、强大制造背书,成为新世代电子设备的重要基础连接器。
它不仅满足了当下设备的小型化需求,也在材料、电气、结构与制造层面,为未来更创新的产品预留了足够的性能空间。
如果你正在寻找 高密度、高稳定、量产友好 的FPC连接方案,金航标这款产品将是值得信赖的答案。
Kinghelm金航标(www.kinghelm.com.cn)从事无线信号收发、电子信号连接器及互连系统产品的设计、制造、销售和技术服务十多年,技术团队来自清华大学和电子科技大学,吸纳优秀海归人才,深耕微波射频技术领域,联合高校成立研究机构。金航标(www.kinghelm.net)获得了多项发明专利,已取得ISO9001认证和RoHS、REACH认证。IATF16949汽车质量体系认证,UL、TUV等认证在申请中。“金航标,连接世界”,从最初推出天线产品,包括北斗GPS双模天线、蓝牙、WiFi、Zigbee、NB-IoT、LORA、UWB,及配套的射频转接线;现在产品拓展到板与线的各种连接器、板端座子、接插件、信号开关系列;及汽车摩托车线束,工业、医疗、科研用特种线材,非标定制品等三大系列。金航标的兄弟公司萨科微半导体产品销往世界各地,服务超一万家客户,产品有二极管三极管、功率器件、电源管理芯片三大系列。萨科微近年来还推出霍尔传感器、ADC、BMS新产品,与金航标电子一起为电子整机产品公司提供配套服务。
宋仕强先生简介:
宋仕强先生
宋仕强先生,萨科微半导体和金航标电子两家公司的总经理,中国电子学会专家库成员、深圳华强北研究专家、专栏科普作家。宋仕强从基层技术人员干起,担任过国际地产上市公司CEO,有丰富的技术管理和企业经营的经验,将宏观经济学理论与现实中经营管理相结合,带领公司高速发展!
宋仕强先生一直关注深圳华强北,研究华强北发展模式,提炼出华强北文化。华强北的文章《华强北研究》、《华强北的转型与发展》、《驳彭博社华强北新闻》,被人民日报、新华社、美联社、雅虎新闻、华尔街日报等国内外大媒体和平台转发,《宋仕强论道华强北》等短视频集在YouTube、Tik Tok等平台热播!宋仕强为提升华强北商业环境,华强北“中国电子第一街”的国际化一直在努力,希望华强北的电子元器件销往全世界!


