技术应用
技术应用
每日一品——Kinghelm金航标4.4mm耳机插座 KH-PJ-44002-12DBAP-A:为音频设备提供可靠连接支持的接口设计
2026-01-16 168

在音频设备不断向高集成度、高稳定性方向发展的过程中,音频连接器作为信号传输的重要接口,其结构设计与性能表现对整机体验产生着直接影响。无论是耳机本体、音频模块,还是各类音频控制与输出设备,接口部分的可靠性都关系到信号传输的连续性与使用过程中的稳定表现。金航标4.4mm耳机插座 KH-PJ-44002-12DBAP-A,正是在这一应用背景下推出的一款音频连接器产品,面向多种音频设备连接需求,提供稳定、可控的接口设计方案。

 

Kinghelm金航标KH-PJ-44002-12DBAP-A产品图

 

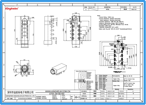
金航标 KH-PJ-44002-12DBAP-A 采用4.4mm耳机接口规格,整体结构紧凑,接口长度约21mm,适合在空间布局较为集中的设备中使用。该型号配备12PIN插脚结构,在音频信号传输及功能分配方面具备较高的设计灵活性。对于需要区分左右声道、检测插拔状态或进行信号扩展的音频系统而言,多插脚结构能够为电路设计预留更充足的实现空间,有助于提升整机设计的可控性。

 

在封装与安装方式上,该耳机插座采用插件式封装形式,便于在常规PCB板上进行焊接固定。插件结构在装配过程中具有较好的机械强度,有利于提升接口在反复插拔过程中的稳定性,同时也方便后期维护与更换。配合编带包装方式,该型号在生产与装配环节中更适合批量化作业,有助于提升生产效率并保持产品一致性。

 

从电气性能角度来看,KH-PJ-44002-12DBAP-A 在额定电流与电压范围内可满足多数音频设备的使用需求,适用于不超过12V、1A的工作条件。其接触电阻控制在合理范围,有助于减少音频信号在传输过程中的损耗,保持信号的完整性与稳定性。对于对音质一致性有要求的应用场景,这一性能表现为音频系统的稳定运行提供了基础支持。

 

在安全与可靠性方面,该音频连接器具备良好的绝缘性能,绝缘电阻指标满足常规音频设备对电气隔离的设计要求。在耐电压能力方面,其可承受一定水平的交流耐压测试,为设备在复杂工作环境下的运行提供更多设计余量。这些性能指标在实际应用中有助于降低因环境变化或电气波动带来的风险,提升设备整体的可靠性。

 

环境适应性同样是音频连接器选型过程中不可忽视的因素。KH-PJ-44002-12DBAP-A 的工作温度范围覆盖 -25℃ 至 +85℃,可适应多种室内外使用环境。无论是在日常消费类音频产品中,还是在对环境适应性有一定要求的音频控制设备中,该型号都能够在合理设计条件下保持稳定表现。这一特性使其在不同应用场景中具备更广泛的适用性。

 

在实际应用层面,4.4mm耳机插座因其结构稳定性与接口尺寸优势,被广泛应用于耳机设备、便携式音频播放器、音频转接模块以及各类音频输出终端。KH-PJ-44002-12DBAP-A 凭借12PIN设计,在满足基础音频连接功能的同时,也为设备在功能扩展与系统集成方面提供了更多可能性。例如,在部分音频系统中,可通过多插脚实现插拔检测、信号切换或其他辅助功能,从而提升设备整体的使用体验。

 

从整机设计角度来看,音频接口不仅是信号通道的一部分,也是用户频繁接触的结构组件之一。接口的稳固性、插拔手感以及长期使用后的可靠性,都会对产品体验产生影响。插件式结构配合合理的插脚布局,使 KH-PJ-44002-12DBAP-A 在结构设计上更易于与主板形成稳定连接,有助于降低因外力或使用频率带来的接触问题。

 

在品牌层面,kinghelm(金航标)长期专注于连接器及相关电子元件的研发与供应,产品规格覆盖多种应用方向。KH-PJ-44002-12DBAP-A 作为其音频连接器系列中的一款型号,在规格定义与参数配置上体现了对音频设备应用需求的关注,适合作为音频接口设计中的一种参考方案。

 

Kinghelm金航标KH-PJ-44002-12DBAP-A规格书

 

综合接口尺寸、插脚结构、电气性能以及环境适应性等因素来看,金航标4.4mm耳机插座 KH-PJ-44002-12DBAP-A 在音频设备连接应用中具备清晰的产品定位。其结构设计兼顾安装便利性与使用稳定性,适合多类型音频设备在接口选型过程中进行评估与采用。在具体应用中,结合整机结构布局、功能需求及使用环境进行合理选型,有助于更好地发挥该音频连接器在系统中的作用,为音频设备的稳定运行提供持续支持。、

 

Kinghelm金航标(www.kinghelm.com.cn)从事无线信号收发、电子信号连接器及互连系统产品的设计、制造、销售和技术服务十多年,技术团队来自清华大学和电子科技大学,吸纳优秀海归人才,深耕微波射频技术领域,联合高校成立研究机构。金航标(www.kinghelm.net)获得了多项发明专利,已取得ISO9001认证和RoHS、REACH认证。IATF16949汽车质量体系认证,UL、TUV等认证在申请中。“金航标,连接世界”,从最初推出天线产品,包括北斗GPS双模天线、蓝牙、WiFi、Zigbee、NB-IoT、LORA、UWB,及配套的射频转接线;现在产品拓展到板与线的各种连接器、板端座子、接插件、信号开关系列;及汽车摩托车线束,工业、医疗、科研用特种线材,非标定制品等三大系列。金航标的兄弟公司萨科微半导体产品销往世界各地,服务超一万家客户,产品有二极管三极管、功率器件、电源管理芯片三大系列。萨科微近年来还推出霍尔传感器、ADC、BMS新产品,与金航标电子一起为电子整机产品公司提供配套服务。

 

宋仕强先生简介:

宋仕强先生

宋仕强先生,萨科微半导体和金航标电子两家公司的总经理,中国电子学会专家库成员、深圳华强北研究专家、专栏科普作家。宋仕强从基层技术人员干起,担任过国际地产上市公司CEO,有丰富的技术管理和企业经营的经验,将宏观经济学理论与现实中经营管理相结合,带领公司高速发展!

宋仕强先生一直关注深圳华强北,研究华强北发展模式,提炼出华强北文化。华强北的文章《华强北研究》、《华强北的转型与发展》、《驳彭博社华强北新闻》,被人民日报、新华社、美联社、雅虎新闻、华尔街日报等国内外大媒体和平台转发,《宋仕强论道华强北》等短视频集在YouTube、Tik Tok等平台热播!宋仕强为提升华强北商业环境,华强北“中国电子第一街”的国际化一直在努力,希望华强北的电子元器件销往全世界!

 

北斗/GPS天线咨询

板端座子咨询

连接器咨询

获取产品资料