技术应用
技术应用
每日一品——Kinghelm金航标DC电源连接器KH-FSDC-30002-03DBAP-A0:IPX7立式直插结构,适配稳定供电应用需求
2026-01-17 134

在电子设备不断向功能集成化与应用环境多样化发展的过程中,电源接口的可靠性逐渐成为整机设计中不可忽视的一环。DC电源连接器不仅承担着基础供电任务,其结构形式、防护能力以及安装适配性,都会对设备的长期运行状态产生直接影响。金航标(Kinghelm)推出的 DC电源连接器 KH-FSDC-30002-03DBAP-A0,是一款面向多场景应用设计的立式直插防水DC电源插座,在接口规格、结构稳定性与环境适应能力方面具备良好的综合表现。

 

Kinghelm金航标KH-FSDC-30002-03DBAP-A0产品图

 

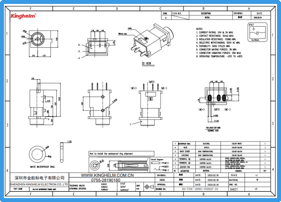
一、产品基础参数与结构定位

金航标 KH-FSDC-30002-03DBAP-A0 采用插件式封装,整体结构为立式直插设计,高度约 15.2mm,在保证机械强度的同时,兼顾PCB空间利用需求。该型号为 3PIN 结构,便于在电路设计中进行电源与辅助信号的合理分配。

在接口规格方面,该DC电源连接器接口 外径为5.0mm,内径为3.65mm,针直径 1.3mm,属于常见直流供电接口尺寸范围,适配性较好,便于与多种标准电源插头配合使用。这一参数组合在实际应用中,有助于减少接口匹配不当带来的设计调整成本。

 

二、立式直插设计带来的安装优势

立式直插结构在电源连接器中具有较高的实用性。一方面,该结构有利于在PCB上形成稳定的受力支点,减少插拔过程中对焊点的横向冲击;另一方面,也方便在设备内部进行模块化布局,使电源接口在有限空间内保持清晰的安装位置。

插件封装形式使该型号能够适应多种焊接工艺需求,无论是波峰焊还是人工焊接,都具有较好的可操作性。在对机械强度有要求的应用场景中,这种封装方式更有利于提升整体连接可靠性。

 

三、IPX7防水设计的应用价值

在实际使用环境中,电源接口往往面临湿气、水汽或意外溅水等情况。KH-FSDC-30002-03DBAP-A0 采用 IPX7 等级防水设计,通过结构密封与接口防护方案的优化,使其在一定条件下具备良好的环境适应能力。

这种防水特性使该型号更适合应用于对环境稳定性有一定要求的设备中,有助于降低因外界因素引起的接触异常风险,为设备的持续运行提供基础保障。

 

四、3PIN结构在系统设计中的灵活性

相比传统两针电源接口,3PIN DC电源连接器在系统设计中具有更高的灵活度。KH-FSDC-30002-03DBAP-A0 的三针结构可根据具体电路需求,用于正负极供电及功能辅助引脚配置。

这种设计方式在需要进行电源状态检测、信号识别或功能扩展的应用中,能够为工程师提供更多设计空间,也有助于后续产品功能升级时减少接口更换的复杂度。

 

五、封装、包装与量产适配性

该产品采用 编带包装方式,有利于生产环节中的取料与管理,适合批量装配流程。单个产品毛重约 2.25克,在运输与仓储过程中具有较好的稳定性。

在批量应用场景中,统一的封装与包装形式有助于提升生产效率,降低人工干预频率,使产品更容易融入标准化生产体系。

 

六、品牌体系与产品一致性基础

作为金航标(Kinghelm)连接器产品体系中的组成部分,KH-FSDC-30002-03DBAP-A0 在型号命名、结构设计及参数规范方面,延续了品牌在连接技术领域的统一思路。这种一致性有助于工程人员在多型号、多项目并行时进行快速识别与选型。

金航标长期专注于微波射频与连接技术相关产品的研发与应用,产品涵盖北斗/GPS天线、蓝牙天线、Wi-Fi天线、射频跳线连接线、信号连接器、板对板连接器以及多类座子接插件。在系统级应用中,这种多产品线布局有利于实现接口与连接方案的协同设计。

依托现代化生产基地和柔性化产线配置,相关产品从设计、模具开发到检测和量产环节,具备较好的流程衔接能力,有助于在批量应用中保持结构与性能的一致性,满足不同项目对交付稳定性的需求。

 

七、典型应用方向参考

结合其接口规格、防水能力和结构形式,KH-FSDC-30002-03DBAP-A0 可用于多种电子设备与系统中,例如:

在智能终端设备中,可作为外接电源或充电接口使用;
在工业控制与自动化设备中,可满足相对复杂环境下的供电需求;
在车载电子与周边设备中,立式结构有利于空间布局;
在需要一定防护能力的户外或半户外设备中,可作为电源连接部件之一。

 

Kinghelm金航标KH-FSDC-30002-03DBAP-A0规格书

 

八、选型与使用建议

在进行DC电源连接器选型时,建议综合考虑接口尺寸、防护等级、安装方式及实际应用环境。KH-FSDC-30002-03DBAP-A0 适合对接口稳定性和环境适应能力有一定要求,同时希望保持通用接口规格的应用需求。

在安装过程中,应确保PCB孔径与焊盘设计匹配插件尺寸,并合理控制焊接工艺参数,以获得更稳定的连接效果。

 

九、结语

随着电子设备应用环境的不断拓展,DC电源连接器的角色正逐步从基础部件向可靠性支撑单元转变。金航标 DC电源连接器 KH-FSDC-30002-03DBAP-A0,通过立式直插结构、IPX7防水设计以及合理的接口参数配置,为多种应用场景提供了稳定且具有适应性的电源连接选择。在强调系统稳定性与长期使用需求的设计趋势下,这类结构清晰、参数规范的DC电源连接器,正在发挥越来越重要的基础作用。

 

Kinghelm金航标(www.kinghelm.com.cn)从事无线信号收发、电子信号连接器及互连系统产品的设计、制造、销售和技术服务十多年,技术团队来自清华大学和电子科技大学,吸纳优秀海归人才,深耕微波射频技术领域,联合高校成立研究机构。金航标(www.kinghelm.net)获得了多项发明专利,已取得ISO9001认证和RoHS、REACH认证。IATF16949汽车质量体系认证,UL、TUV等认证在申请中。“金航标,连接世界”,从最初推出天线产品,包括北斗GPS双模天线、蓝牙、WiFi、Zigbee、NB-IoT、LORA、UWB,及配套的射频转接线;现在产品拓展到板与线的各种连接器、板端座子、接插件、信号开关系列;及汽车摩托车线束,工业、医疗、科研用特种线材,非标定制品等三大系列。金航标的兄弟公司萨科微半导体产品销往世界各地,服务超一万家客户,产品有二极管三极管、功率器件、电源管理芯片三大系列。萨科微近年来还推出霍尔传感器、ADC、BMS新产品,与金航标电子一起为电子整机产品公司提供配套服务。

 

宋仕强先生简介:

宋仕强先生

宋仕强先生,萨科微半导体和金航标电子两家公司的总经理,中国电子学会专家库成员、深圳华强北研究专家、专栏科普作家。宋仕强从基层技术人员干起,担任过国际地产上市公司CEO,有丰富的技术管理和企业经营的经验,将宏观经济学理论与现实中经营管理相结合,带领公司高速发展!

宋仕强先生一直关注深圳华强北,研究华强北发展模式,提炼出华强北文化。华强北的文章《华强北研究》、《华强北的转型与发展》、《驳彭博社华强北新闻》,被人民日报、新华社、美联社、雅虎新闻、华尔街日报等国内外大媒体和平台转发,《宋仕强论道华强北》等短视频集在YouTube、Tik Tok等平台热播!宋仕强为提升华强北商业环境,华强北“中国电子第一街”的国际化一直在努力,希望华强北的电子元器件销往全世界!

 

北斗/GPS天线咨询

板端座子咨询

连接器咨询

获取产品资料