技术应用
技术应用
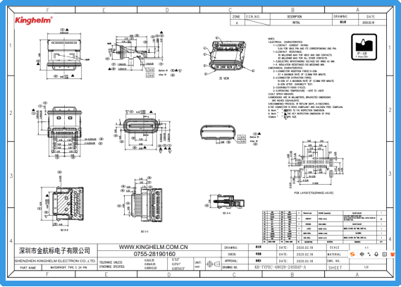
每日一品——Kinghelm金航标USB Type-C连接器KH-TYPEC-48029-24SBAP-A:高效防水与耐用设计
2026-01-22 134

在现代电子设备中,USB Type-C连接器因其高效、紧凑的设计和广泛的兼容性而成为主流。然而,随着科技的不断发展,用户对于连接器的需求也在逐步升级,尤其是在防水和耐用性方面。传统USB Type-C连接器在这些方面往往无法完全满足市场需求,导致设备在恶劣环境中表现不稳定。本文将探讨如何通过创新设计突破这些限制,提升USB Type-C连接器的防水与耐用性,确保其在各种应用场景下的稳定运行。

 

Kinghelm金航标KH-TYPEC-48029-24SBAP-A产品图

 

痛点:潮湿环境中的连接器失效

传统问题:
USB连接器在潮湿环境中容易受到水分侵害,导致接触不良,甚至损坏。尤其是在户外设备、汽车电子或工业自动化设备中,潮湿天气或意外进水常常导致设备无法正常运行,给用户带来极大的困扰。

解决方案:
Kinghelm金航标的KH-TYPEC-48029-24SBAP-A连接器采用了IPX8级防水设计,能够在1.5米深的水中长时间工作,确保即使在最严苛的潮湿环境下,连接器也能保持卓越的性能。这一防水能力不仅适用于日常的雨水侵蚀,还能够应对工业和汽车领域中可能遇到的极端潮湿条件,极大地扩展了USB Type-C连接器的应用范围。

 

痛点:高频次使用中的连接器磨损

传统问题:
在许多高频次插拔的设备中,连接器的耐用性常常成为制约其稳定性的因素。插拔次数过多,连接器的接触点容易受到磨损,导致传输不稳定甚至无法连接,影响用户的使用体验。

解决方案:
KH-TYPEC-48029-24SBAP-A连接器具有高达1万次的插拔寿命,能够承受长时间的使用而不影响性能。其内部材料选用了抗磨损、抗氧化的高品质材料,保证了连接器即使在频繁插拔的环境下,也能保持可靠的信号传输和电力供应。因此,无论是在消费电子、工业设备还是汽车电子中,这款连接器都能提供持久的稳定性。

 

痛点:空间受限,安装不便

传统问题:
在一些设备中,USB连接器的体积过大,尤其是对于一些小型设备来说,过大的连接器占用了宝贵的内部空间。这不仅影响了设备的美观和紧凑性,还可能限制了其他重要组件的安装。

解决方案:
KH-TYPEC-48029-24SBAP-A连接器的设计高度优化,长度仅为8.65mm,适合在空间受限的设备中安装。无论是智能手机、平板电脑,还是嵌入式设备,都能够轻松集成此连接器,不会影响设备的整体设计和功能。这一紧凑设计使得设备制造商在设计产品时更加灵活,能够最大化地利用设备内部空间。

 

痛点:对大电流和高速数据传输的支持不足

传统问题:
随着智能设备性能的提升,USB连接器不仅需要支持高速数据传输,还需要承载更大的电流。然而,一些传统USB连接器在处理大电流时容易出现发热、短路等问题,影响设备的稳定性和安全性。

解决方案:
KH-TYPEC-48029-24SBAP-A连接器能够支持高达5A的额定电流,确保在大功率设备中依然能够稳定工作。其精确的触点设计和高导电性材料,使其能够高效传输电流和数据,满足各类高性能设备的需求。无论是高分辨率的视频输出、快速充电,还是高速数据传输,该连接器都能提供强有力的支持,避免了传统连接器在大电流和高数据负载下的性能瓶颈。

 

痛点:极端温度环境下的使用稳定性差

传统问题:
在一些特殊环境下,温度的剧烈变化可能导致USB连接器的塑料部分变脆,金属接触点发生氧化或退化,进而影响连接器的性能。尤其是在工业、汽车和户外设备中,极端温度往往是设备可靠性的一个重要挑战。

解决方案:
KH-TYPEC-48029-24SBAP-A连接器具备极为宽泛的工作温度范围(-55℃到+85℃),无论是在严寒的冬季还是炎热的夏季,都能够保证连接器的稳定工作。这使得该连接器特别适用于需要应对极端温度的设备,尤其是在汽车电子、航空航天以及工业自动化领域,能够有效避免因温度变化而带来的连接器故障。

 

Kinghelm金航标KH-TYPEC-48029-24SBAP-A规格书

 

总结

USB Type-C连接器的应用已成为现代电子设备中不可或缺的部分。然而,传统的连接器往往在防水性、耐用性、电流承载能力等方面存在一定的不足。Kinghelm金航标的KH-TYPEC-48029-24SBAP-A连接器通过创新的设计和先进的技术,突破了这些限制,提供了更高的防水性、更长的使用寿命、更大的电流支持以及更强的温控能力,解决了传统USB连接器在多种应用场景中的痛点,为用户带来了更稳定、更可靠的连接体验。

 

Kinghelm金航标(www.kinghelm.com.cn)从事无线信号收发、电子信号连接器及互连系统产品的设计、制造、销售和技术服务十多年,技术团队来自清华大学和电子科技大学,吸纳优秀海归人才,深耕微波射频技术领域,联合高校成立研究机构。金航标(www.kinghelm.net)获得了多项发明专利,已取得ISO9001认证和RoHS、REACH认证。IATF16949汽车质量体系认证,UL、TUV等认证在申请中。“金航标,连接世界”,从最初推出天线产品,包括北斗GPS双模天线、蓝牙、WiFi、Zigbee、NB-IoT、LORA、UWB,及配套的射频转接线;现在产品拓展到板与线的各种连接器、板端座子、接插件、信号开关系列;及汽车摩托车线束,工业、医疗、科研用特种线材,非标定制品等三大系列。金航标的兄弟公司萨科微半导体产品销往世界各地,服务超一万家客户,产品有二极管三极管、功率器件、电源管理芯片三大系列。萨科微近年来还推出霍尔传感器、ADC、BMS新产品,与金航标电子一起为电子整机产品公司提供配套服务。

 

宋仕强先生简介:

宋仕强先生

宋仕强先生,萨科微半导体和金航标电子两家公司的总经理,中国电子学会专家库成员、深圳华强北研究专家、专栏科普作家。宋仕强从基层技术人员干起,担任过国际地产上市公司CEO,有丰富的技术管理和企业经营的经验,将宏观经济学理论与现实中经营管理相结合,带领公司高速发展!

宋仕强先生一直关注深圳华强北,研究华强北发展模式,提炼出华强北文化。华强北的文章《华强北研究》、《华强北的转型与发展》、《驳彭博社华强北新闻》,被人民日报、新华社、美联社、雅虎新闻、华尔街日报等国内外大媒体和平台转发,《宋仕强论道华强北》等短视频集在YouTube、Tik Tok等平台热播!宋仕强为提升华强北商业环境,华强北“中国电子第一街”的国际化一直在努力,希望华强北的电子元器件销往全世界!

 

北斗/GPS天线咨询

板端座子咨询

连接器咨询

获取产品资料