技术应用
技术应用
每日一品——Kinghel金航标USB Type-A双口连接器KH-2AF1804ZJ-14.2JB:多设备连接的接口实现方式
2026-04-08 64

在电子设备不断向小型化与多功能发展的趋势下,接口资源的合理分配成为设计中的一个关键环节。USB接口作为常见的数据与供电通道,被广泛应用于各类终端设备。当设备需要同时连接多个外设时,如何在有限空间内实现接口扩展,是工程设计中经常面对的问题。金航标KH-2AF1804ZJ-14.2JB USB Type-A双口连接器,为多设备连接提供了一种实用的实现方式。

Kinghelm金航标KH-2AF1804ZJ-14.2JB产品图

一、双USB接口设计的结构基础

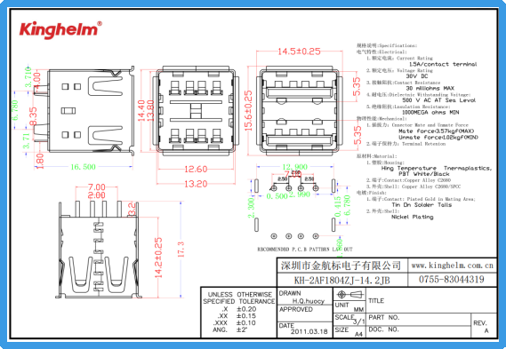
KH-2AF1804ZJ-14.2JB采用USB Type-A母座结构,整体为双端口布局。每个接口配置4个触点,总体为4Px2设计,这种结构在保持标准USB接口兼容性的同时,使一个连接器即可提供两个独立接口。

该连接器采用直插式安装方式,插脚通过通孔固定在PCB板上,焊接后形成稳定连接。相比贴片结构,直插方式在插拔过程中更具机械支撑能力,适用于需要反复插拔的使用环境。

产品体长为16.5mm,在实现双接口功能的同时保持紧凑尺寸,便于在空间有限的设备中进行合理布局。此外,胶芯提供白色与黑色两种方案,可根据整机外观需求进行选择。

二、电气参数对多设备连接的支持

在多设备连接场景中,连接器的电气性能直接影响使用稳定性。KH-2AF1804ZJ-14.2JB的额定电压为30V DC,额定电流为1.5A,能够满足常见USB设备的供电需求。

其接触电阻最大为30毫欧,有助于降低导通损耗,在多个设备同时连接时,有利于维持电流传输的稳定性。绝缘电阻不低于1000兆欧,能够在非工作状态下提供良好的隔离效果。

这些参数使该型号USB连接器能够适应常规数据传输与低功耗供电环境,适合多接口同时使用的基础需求。

三、多设备连接的实现方式分析

在实际应用中,多设备连接通常有几种实现方式,例如通过外接USB HUB、增加独立接口数量或采用多口连接器。其中,双USB连接器在结构与成本之间提供了一种平衡方案。

使用KH-2AF1804ZJ-14.2JB这类双口连接器,可以在单一安装位置上实现两个USB接口输出,减少PCB空间占用,同时降低布线复杂度。对于接口数量需求明确且不需要额外控制芯片的场景,这种方式具有一定优势。

例如,在一些基础型设备中,一个USB接口用于连接数据设备,另一个接口用于供电或连接辅助外设,通过双口设计可以实现功能分区,提升使用便利性。

四、典型应用场景说明

KH-2AF1804ZJ-14.2JB USB Type-A双口连接器适用于多种设备类型。在消费电子产品中,如智能插座、桌面扩展设备、小型充电模块等,双USB接口可以满足多个终端同时接入的需求。

在工业控制设备中,USB接口常用于程序下载、数据读取或设备调试。双接口设计可以分别用于不同用途,减少频繁插拔带来的不便。

车载设备中,该型号连接器可用于中控系统或充电模块,为移动设备提供接口支持。在空间有限的车载环境中,双口结构有助于提升接口利用率。

此外,在嵌入式开发板、教学设备以及智能家居控制终端中,该连接器同样具备一定的适用性,可用于连接外设或进行数据交互。

五、设计选型中的注意要点

在使用双USB连接器进行设计时,需要结合具体应用需求进行评估。首先应确认系统对电流的分配方式,确保在双接口同时使用时不会超过整体负载能力。

其次,在PCB布局中应预留合理空间,避免接口间距过小影响插拔操作。同时应保证焊盘设计符合工艺要求,以提高焊接可靠性。

对于需要长期使用或频繁插拔的设备,可在结构设计中增加加固措施,以提升连接器的机械稳定性。此外,还需关注接口方向与外壳开口位置的匹配,避免装配干涉。


Kinghelm金航标KH-2AF1804ZJ-14.2JB规格书

六、总结

金航标USB Type-A双口连接器KH-2AF1804ZJ-14.2JB通过双端口一体化设计,在多设备连接需求中提供了一种结构紧凑、实现简洁的接口方案。其直插式结构、标准接口形式以及基础电气参数,使其能够应用于多种常见电子设备。

在设备接口数量逐步增加的背景下,合理选择连接器形式,有助于优化空间利用并简化设计结构。该型号连接器适用于对接口数量有明确需求的应用场景,为多设备连接提供了可行的实现路径。

Kinghelm金航标(www.kinghelm.com.cn)从事无线信号收发、电子信号连接器及互连系统产品的设计、制造、销售和技术服务十多年,技术团队来自清华大学和电子科技大学,吸纳优秀海归人才,深耕微波射频技术领域,联合高校成立研究机构。金航标(www.kinghelm.net)获得了多项发明专利,已取得ISO9001认证和RoHS、REACH认证。IATF16949汽车质量体系认证,UL、TUV等认证在申请中。“金航标,连接世界”,从最初推出天线产品,包括北斗GPS双模天线、蓝牙、WiFi、Zigbee、NB-IoT、LORA、UWB,及配套的射频转接线;现在产品拓展到板与线的各种连接器、板端座子、接插件、信号开关系列;及汽车摩托车线束,工业、医疗、科研用特种线材,非标定制品等三大系列。金航标的兄弟公司萨科微半导体产品销往世界各地,服务超一万家客户,产品有二极管三极管、功率器件、电源管理芯片三大系列。萨科微近年来还推出霍尔传感器、ADC、BMS新产品,与金航标电子一起为电子整机产品公司提供配套服务。


宋仕强先生简介:

宋仕强先生

宋仕强先生,萨科微半导体和金航标电子两家公司的总经理,中国电子学会专家库成员、深圳华强北研究专家、专栏科普作家。宋仕强从基层技术人员干起,担任过国际地产上市公司CEO,有丰富的技术管理和企业经营的经验,将宏观经济学理论与现实中经营管理相结合,带领公司高速发展!

宋仕强先生一直关注深圳华强北,研究华强北发展模式,提炼出华强北文化。华强北的文章《华强北研究》、《华强北的转型与发展》、《驳彭博社华强北新闻》,被人民日报、新华社、美联社、雅虎新闻、华尔街日报等国内外大媒体和平台转发,《宋仕强论道华强北》等短视频集在YouTube、Tik Tok等平台热播!宋仕强为提升华强北商业环境,华强北“中国电子第一街”的国际化一直在努力,希望华强北的电子元器件销往全世界!

KH-2AF1804ZJ-14.2JB至产品详细网页

服务热线

0755-83044319

手机

15119972746

北斗/GPS天线咨询

板端座子咨询

连接器咨询

获取产品资料