在现代电子设备高度互联的时代,USB接口已经成为数据传输与电力供给的重要桥梁。其中,Type-A接口作为最早普及的标准之一,至今仍在各类设备中广泛应用。本文将围绕Kinghelm金航标KH-3.0AF180WJ-13.7这款USB 3.0 Type-A母座连接器,从产品参数、结构设计、性能特点以及应用场景等方面进行系统解析。
Kinghelm金航标KH-3.0AF180WJ-13.7产品图
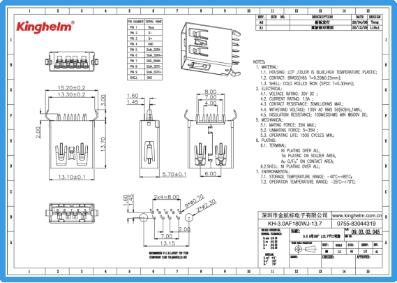
首先,从产品基本信息来看,Kinghelm金航标KH-3.0AF180WJ-13.7属于USB 3.0 Type-A母座连接器,采用直插式(插件)安装方式,封装形式为插件(Through Hole)。该产品为单端口设计,触点数量为9P,符合USB 3.0标准接口定义,能够支持高速数据传输需求。产品整体长度为13.7mm,重量约为2.1克,采用托盘包装方式,便于自动化生产与批量装配。在电气性能方面,该连接器额定电流为1.5A,额定电压为30V,能够满足大多数消费类电子设备和工业控制设备的供电与信号传输需求。工作温度范围为-25℃至+70℃,存储温度范围为-40℃至+85℃,说明其具备良好的环境适应能力,能够在较为严苛的温度条件下稳定运行。从结构与材料设计角度来看,该产品在多个关键部位采用了高品质材料。其外壳部分使用LCP(液晶聚合物)高温塑料,颜色为经典蓝色,不仅具有优良的耐热性能,还具备良好的机械强度和尺寸稳定性。接触件采用黄铜(H65)材质,厚度为0.20mm和0.25mm,有助于提高导电性能和抗疲劳能力。外部屏蔽壳则采用冷轧钢(SPCC,厚度0.30mm),在增强结构强度的同时,也有效提升了抗电磁干扰(EMI)能力。在机械性能方面,该连接器表现同样出色。其最大插入力为35牛顿,拆卸力范围为5至35牛顿,既保证了连接的牢固性,又兼顾了用户操作的便利性。此外,该产品的使用寿命可达至少1500次插拔循环,能够满足日常频繁使用的需求,在消费电子和工业设备中均具备良好的可靠性。进一步来看,USB Type-A接口本身具有一系列显著优点。首先是其极高的普及性。作为USB标准中最早广泛应用的接口类型之一,Type-A接口几乎出现在所有传统电脑、电视、机顶盒及各类外设设备中,用户可以轻松找到匹配的线缆和配件。其次是即插即用特性,用户无需复杂设置即可完成设备连接,大大提升了使用体验。此外,随着USB标准的发展,从USB 2.0到USB 3.0乃至更高版本,其数据传输速率不断提升,能够满足高清视频传输、大容量数据拷贝等应用需求。然而,Type-A接口也存在一定局限性。最明显的是其方向性设计,用户在插入时必须区分正反方向,否则无法插入,这在某些使用场景下会带来不便。其次,在新一代接口技术发展背景下,Type-A接口在物理结构上难以支持USB4或雷电(Thunderbolt)等更高性能协议,这在高端设备中逐渐成为限制因素。另外,在频繁插拔的情况下,接口触点可能出现磨损,从而影响连接稳定性和信号完整性。尽管存在一定不足,Type-A接口依然在众多领域保持着不可替代的地位。以KH-3.0AF180WJ-13.7为例,该产品广泛适用于台式电脑主板、工业控制板卡、打印设备、车载系统、智能家居设备以及各类嵌入式终端。其稳定的电气性能和可靠的机械结构,使其在需要长期稳定运行的应用环境中表现尤为出色。

Kinghelm金航标KH-3.0AF180WJ-13.7规格书
在实际选型过程中,工程师通常需要综合考虑接口类型、安装方式、额定参数以及使用环境等因素。KH-3.0AF180WJ-13.7凭借其标准化设计、成熟工艺以及稳定性能,能够有效降低设计复杂度,提高系统整体可靠性。同时,其插件式结构也便于后期维修与更换,适合多种生产与应用场景。
总体而言,Kinghelm金航标KH-3.0AF180WJ-13.7是一款性能均衡、结构可靠的USB 3.0 Type-A母座连接器。它不仅延续了Type-A接口的广泛兼容性优势,同时在材料选型与机械设计上进行了优化,使其能够适应现代电子设备对稳定性与耐用性的要求。在未来一段时间内,尽管新型接口不断涌现,Type-A接口仍将在传统设备与工业应用中持续发挥重要作用,而类似KH-3.0AF180WJ-13.7这样的产品,也将继续为电子连接领域提供坚实支撑。
Kinghelm金航标(www.kinghelm.com.cn)从事无线信号收发、电子信号连接器及互连系统产品的设计、制造、销售和技术服务十多年,技术团队来自清华大学和电子科技大学,吸纳优秀海归人才,深耕微波射频技术领域,联合高校成立研究机构。金航标(www.kinghelm.net)获得了多项发明专利,已取得ISO9001认证和RoHS、REACH认证。IATF16949汽车质量体系认证,UL、TUV等认证在申请中。“金航标,连接世界”,从最初推出天线产品,包括北斗GPS双模天线、蓝牙、WiFi、Zigbee、NB-IoT、LORA、UWB,及配套的射频转接线;现在产品拓展到板与线的各种连接器、板端座子、接插件、信号开关系列;及汽车摩托车线束,工业、医疗、科研用特种线材,非标定制品等三大系列。金航标的兄弟公司萨科微半导体产品销往世界各地,服务超一万家客户,产品有二极管三极管、功率器件、电源管理芯片三大系列。萨科微近年来还推出霍尔传感器、ADC、BMS新产品,与金航标电子一起为电子整机产品公司提供配套服务。

宋仕强先生简介:

宋仕强先生
宋仕强先生,萨科微半导体和金航标电子两家公司的总经理,中国电子学会专家库成员、深圳华强北研究专家、专栏科普作家。宋仕强从基层技术人员干起,担任过国际地产上市公司CEO,有丰富的技术管理和企业经营的经验,将宏观经济学理论与现实中经营管理相结合,带领公司高速发展!
宋仕强先生一直关注深圳华强北,研究华强北发展模式,提炼出华强北文化。华强北的文章《华强北研究》、《华强北的转型与发展》、《驳彭博社华强北新闻》,被人民日报、新华社、美联社、雅虎新闻、华尔街日报等国内外大媒体和平台转发,《宋仕强论道华强北》等短视频集在YouTube、Tik Tok等平台热播!宋仕强为提升华强北商业环境,华强北“中国电子第一街”的国际化一直在努力,希望华强北的电子元器件销往全世界!
KH-3.0AF180WJ-13.7至产品详细网页