技术应用
技术应用
Kinghelm金航标2.5mm耳机座KH-PJ-209-SMT:贴片化结构推动音频接口的小型化设计趋势
2025-11-21 57
<span style="font-family: 宋体, SimSun; font-size: 18px; color: #262626;">2.5mm耳机座 KH-PJ-209-SMT:贴片化结构推动音频接口的小型化设计趋势</span>

在音频接口技术的演进中,2.5mm耳机接口尽管远不像无线方案那样具有技术热点属性,却仍然在工业终端、小型便携设备、车载模块、消费类电子以及部分专业仪器中长期使用。由于其机械结构简单、维护成本低、信号可控性高,因此在大量需要确定性传输场景中仍具备现实意义。基于这种稳定的工业需求,Kinghelm金航标推出了2.5mm耳机座型号 KH-PJ-209-SMT,采用贴片封装(SMD),配合双声道及机械开关结构,让传统音频接口更契合现代装配流程,并能融入更紧凑的PCB布局。本文围绕其结构特点、材料选择、开关逻辑、制造工艺与终端设备适配进行深入分析,为从事音频电路设计、产品结构开发及供应链管理的专业人员提供参考。


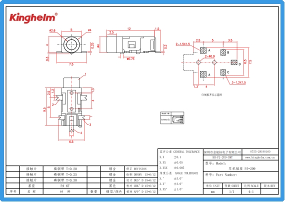
Kinghelm金航标KH-PJ-209-SMT产品图


从电子结构演进看2.5mm耳机座的持续使用基础

在不少电子设备升级中,某些接口被替代的原因往往是封装体积、传输带宽、环境适应性或系统架构变化。但音频接口在许多行业应用中仍具有:明确机械定位、用户无需适配驱动、信号路径透明可控、使用寿命容易评估、无需额外协议参与等特点。这些因素共同决定了有线音频接口在中小体积设备上仍具备工程意义,例如:

  • 手持型仪表或工业测试设备的音频输入输出

  • 车载娱乐或告警系统的辅助音频通道

  • 小型通讯终端的耳麦连接

  • 长周期维护设备中需要可靠插拔结构的设计

因此,虽然2.5mm接口属于传统器件,但仍无法简单归入过时范畴,其核心价值依然落在“可预测、低功耗、低复杂度及结构透明度高”等工程需求之中。


KH-PJ-209-SMT 的产品定位与结构属性

KH-PJ-209-SMT 是一款2.5mm耳机座,黑色本体、双声道结构,并具备机械开关功能。其封装方式采用 SMD 贴片形式,符合当前主流SMT工艺,有利于产品:

  • 进入全自动化贴装产线

  • 减少人工焊接带来的质量偏差

  • 提高生产一致性和焊盘成型一致性

  • 支持更紧凑的PCB布局空间规划

产品本体尺寸与脚位适配小型设备的空间设计要求,既满足多层板面信号排布需求,也考虑到机械夹持力和长期插拔耐久性之间的平衡。其重量约0.67g,在移动设备或板卡中具有较强的装配密度适应能力。


镀金接触结构带来的长期使用稳定性

KH-PJ-209-SMT 的触点采用金镀层,这主要针对弱电模拟传输中常见的接触微氧化问题。由于耳机接口工作电流小、电压水平低,如果接触面氧化程度增加,将可能产生以下现象:

  • 轻微杂音、断续、抖动等信号表现

  • 接触电阻随使用时间缓慢增大

  • 插拔寿命后期产生信号不连续问题

因此从材料层面考虑,镀金触点可以使表面活性层长期维持稳定,从而:

  • 减缓高湿或温差使用场景下的材料变化

  • 减少单位接触面积内因污染导致的微电阻漂移

  • 对工业设备中常见的环测周期具有更强适应性

对于要求高可靠性与长期维护成本可控的音频通道而言,这类材料策略具有现实意义,而非单纯参数层面的理论提升。


带开关耳机座的电路逻辑与工程意义

此类带开关结构耳机座与普通插孔的区别主要在于内部带有机械切换片。当耳机插入或拔出时,装置内部金属片会通过机械动作改变连接状态,实现:

  • 耳机在位检测

  • 扬声器与耳机自动切换

  • 信号通道选择

  • 录音与播放之间的硬件路径变化

这种结构不依赖软件,不需要额外逻辑芯片,仅通过机械接触实现“路径闭合或断开”,具有响应快、状态明确、调试简单、诊断可视等特性。现代产品中仍有大量设备采用这种结构,因为:

  • 无需固件适配和调试

  • 长期维护成本低

  • 行为透明、易于问题排查

  • 信号链路关系易于可视化建模

在某些设备中,这类机械开关甚至承担电路安全防护功能,例如防止扬声器未切出前通入大功率音频功放信号,从而避免硬件过载。


贴片化结构在制造与供应链流程中的作用

电子制造业逐步向全自动化生产线演进,传统插件式耳机座在多品类混线生产中可能带来以下问题:

  • 人工焊接一致性不稳定

  • 装配可追溯性较弱

  • 波峰焊炉温窗口要求随之提高

采用 SMD 结构,使 KH-PJ-209-SMT 可以进入标准贴片工艺,与其他SMT元器件同步完成:

  • 贴装

  • 回流焊

  • AOI检测

  • 产线条码绑定与可追溯管理

对多层板、大批量生产企业来说,这意味着制造成本与管理难度都可以在结构上得到缓和。此外,编带包装方式对高速贴片机具备更好兼容性,也便于仓储与盘点。


在PCB布局中的设计与注意事项

KH-PJ-209-SMT 采用贴片结构,对PCB设计提出如下常见要求:

  • 焊盘尺寸与公差要符合回流工艺的锡量控制原则

  • 多层板应确保音频通道与数字高速走线之间有良好隔离

  • 金属壳体附近可配置地屏蔽,以提升通道抗扰度

  • 机械开关触点建议接入稳定信号检测网络,减少抖动可能

  • 若设备具备电磁敏感模块(如无线模组),需考虑有效分区布局

针对有音频放大器、大功率载波或PWM信号路径的设备,可适当考虑加强铜泊接地、区域过孔围栏及单点屏蔽过渡等处理手段,以提升通道稳定度。


典型应用领域与长期使用特征

结合其外观规格、功能结构与封装方式,KH-PJ-209-SMT 适用于以下类设备:

  • 手持式仪器或工业测量设备的音频输入输出接口

  • 中小尺寸车载模块或多媒体控制器

  • 便携式录音装置与语音采集终端

  • 小型MCU主控板上的辅助语音通道

  • 音频开发板或信号评估平台

上述应用的共同点是:设备生命周期长、维护频率可控、对结构可见性要求高、并且用户使用环境多变。这些属性决定了机械式耳机座仍具有长期使用基础。


Kinghelm金航标KH-PJ-209-SMT规格书


小结:接口并未消失,而是适应新的生产与封装方式

从硬件技术趋势看,KH-PJ-209-SMT 展示了一个典型现象:传统接口并非退出舞台,而是在贴片化、小型化、可批量自动化制造的方向上继续适配现代电子产品。在高密度 PCB、SMT 全自动化产线、有限外壳空间持续挤压的现状下,一款结构紧凑、镀金触点、带机械切换功能的2.5mm耳机座仍然有其现实工程价值。对研发、结构设计、生产工艺与供应链管理而言,它更像是一种稳妥而明确的硬件构成单元,有助于产品在长期使用中维持清晰和可控的性能状态。


Kinghelm金航标(www.kinghelm.com.cn)从事无线信号收发、电子信号连接器及互连系统产品的设计、制造、销售和技术服务十多年,技术团队来自清华大学和电子科技大学,吸纳优秀海归人才,深耕微波射频技术领域,联合高校成立研究机构。金航标(www.kinghelm.net)获得了多项发明专利,已取得ISO9001认证和RoHS、REACH认证。IATF16949汽车质量体系认证,UL、TUV等认证在申请中。“金航标,连接世界”,从最初推出天线产品,包括北斗GPS双模天线、蓝牙、WiFi、Zigbee、NB-IoT、LORA、UWB,及配套的射频转接线;现在产品拓展到板与线的各种连接器、板端座子、接插件、信号开关系列;及汽车摩托车线束,工业、医疗、科研用特种线材,非标定制品等三大系列。金航标的兄弟公司萨科微半导体产品销往世界各地,服务超一万家客户,产品有二极管三极管、功率器件、电源管理芯片三大系列。萨科微近年来还推出霍尔传感器、ADC、BMS新产品,与金航标电子一起为电子整机产品公司提供配套服务。

 

 

宋仕强先生简介:

 

宋仕强先生

宋仕强先生,萨科微半导体和金航标电子两家公司的总经理,中国电子学会专家库成员、深圳华强北研究专家、专栏科普作家。宋仕强从基层技术人员干起,担任过国际地产上市公司CEO,有丰富的技术管理和企业经营的经验,将宏观经济学理论与现实中经营管理相结合,带领公司高速发展!

宋仕强先生一直关注深圳华强北,研究华强北发展模式,提炼出华强北文化。华强北的文章《华强北研究》、《华强北的转型与发展》、《驳彭博社华强北新闻》,被人民日报、新华社、美联社、雅虎新闻、华尔街日报等国内外大媒体和平台转发,《宋仕强论道华强北》等短视频集在YouTube、Tik Tok等平台热播!宋仕强为提升华强北商业环境,华强北“中国电子第一街”的国际化一直在努力,希望华强北的电子元器件销往全世界!


北斗/GPS天线咨询

板端座子咨询

连接器咨询

获取产品资料