热线
手机
随着现代电子设备的功能日益丰富,高品质音频传输仍然是许多终端产品不可或缺的基础能力。在消费电子、智能硬件、车载系统、医疗仪器、学习设备以及工业终端等众多领域中,稳定可靠的音频接口能够直接影响声音表现、使用体验以及整机稳定性。而在众多音频传输方式中,3.5mm耳机接口仍然凭借延迟低、音质稳定、不受无线干扰、兼容性好等优势保持着长期生命力。金航标推出的 KH-PJ-301M 3.5mm音频耳机座,正是面向这些应用场景而打造的高品质产品,凭借稳固结构、良好耐久性、优异电气性能以及长期稳定传输能力,成为众多设备制造商可靠的音频连接选择。

Kinghelm金航标KH-PJ-301M产品图
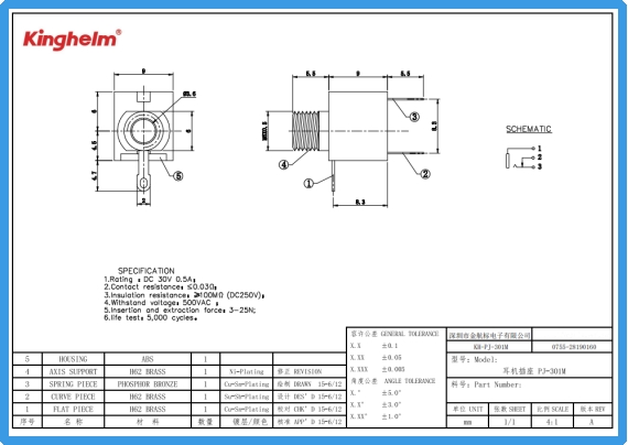
KH-PJ-301M 由 Kinghelm金航标自主研发并设计生产,采用标准 3.5mm接口形式,支持双声道音频输出,能够满足立体声的传输需求。产品外观采用黑色工程塑料,具有耐磨抗压、尺寸稳定、长期不易老化等特点,在频繁的插拔动作中仍能保持结构不变形、不松动。两件套结构与标准化尺寸设计,使得产品布局灵活、组装方便,在工程设计中可以快速与不同 PCB 布局、外壳结构或机型兼容,适用于多种大批量生产工艺,既提升了装配效率,也降低了制造端的维护与返工成本。
在电气性能方面,KH-PJ-301M 支持 DC 30V 0.5A 的额定工作能力,能够满足音频信号传输与常规工作供电需求,被广泛应用于高、中、低端不同层级的电子设备。其绝缘性能优异,绝缘电阻达到 1000MΩ 以上,有效降低两声道之间或信号通道与地之间的干扰,使音频在播放过程中能够获得更好的纯净度和清晰度,减少底噪、杂音和串音影响。与此同时,KH-PJ-301M 具备 500VAC 的耐压能力,意味着产品能够承受多种复杂电气环境,并在设备受到电压瞬变、浪涌电流或特殊工业环境干扰时依旧保持安全可靠运行,这种稳定性不仅适用于普通消费类电子产品,也能满足医疗设备、工业仪表等更严格的使用要求。
为了提升设备使用过程中的交互体验,KH-PJ-301M 内部设计了自动通断开关结构。当用户将耳机插入时,内部触点自动切换电路,使设备关断扬声器或外部播放通道,将声音独立输出至耳机;当耳机拔出后,电路又自动恢复原状态,实现扬声器回放。这种结构无需额外按键控制或复杂的软件逻辑支持,既节省外围电路成本,也提升设备在用户层面的智能化和易用性。因此,该耳机座既适用于传统播放器、收音机、学习机,也适用于需要音频自动切换的智能电子产品、便携式终端和车载娱乐系统,让整机体验更简洁、高效。
在机械结构方面,KH-PJ-301M 采用高强度金属弹片结构,接触面压力均匀、弹性持久,不易出现弹片疲劳或阻值上升问题。对于需要长期使用、频繁插拔的电子产品,如点读笔、录音笔、学习机、翻译设备或随身播放器等,稳定的接触力是确保声音输出清晰、信号传输稳定的关键。同时,金航标在弹片金属材料、电镀层及表面处理方面有严格要求,从根本上减少长期使用中因氧化造成的接触不良情况,提高整机寿命。
KH-PJ-301M 的接线脚采用带螺纹结构,这一设计是金航标在长期行业服务与工程反馈基础上优化的成果。螺纹脚能够与电线或焊接点连接得更加牢固,不易松脱,也不会在震动或长时间受力时产生虚接,这是传统直脚结构所不具备的优势。对于车载电子、随身带控终端或可能处于振动环境中的工业仪器而言,这种结构带来的可靠性提升极其重要,能够有效降低因接触不稳定而带来的噪声、电路冲击或音频中断问题,从而减少售后维修和用户抱怨,帮助产品保持长期稳定品质。
在实际应用领域中,KH-PJ-301M 拥有极强的行业适配能力。随着儿童电子产品普及,学习机、点读设备、教育平板对音频接口使用频率极高,需要经常人工插拔耳机,这就要求接口具有耐磨性高、插拔寿命长的能力,而 KH-PJ-301M 正好满足这一要求。对于通信行业,如对讲机、手持信息终端、便携式执法记录设备等,稳定的音频传输与可靠的信号接触更是核心需求,而以上产品在使用过程中往往伴随移动、震动甚至户外环境,KH-PJ-301M 的螺纹脚结构、强弹片设计与高电气稳定性提供了十分契合的支持。在医疗与工业类设备中,例如心电监测仪、听力测试系统、便携诊断仪器、车间控制终端等,产品通常长时间运行,对绝缘保护、安全等级、信号完整性都有更严格的要求,KH-PJ-301M 的高绝缘阻值与耐压性能也使其成为安全可控的优选器件。
为确保每一件产品均具备稳定一致的质量表现,KH-PJ-301M 在生产环境中采用自动化注塑、冲压、装配与检验流程,并通过接触电阻测试、寿命测试、电气耐压测试、功能切换测试等验证环节,保证产品批次一致性及交付可靠性。同时,产品符合环保生产与材料标准,可满足出口及终端设备厂商对绿色生产和法规要求的需求。依托成熟的工艺体系和严格的质量管理体系,KH-PJ-301M 在行业内获得了广泛认可,既适合国内电子设备厂商批量生产使用,也能够满足国际客户的质量标准。

Kinghelm金航标KH-PJ-301M规格书
总体而言,Kinghelm金航标KH-PJ-301M 是一款兼具耐用结构、安全电气性能、稳定传输能力与广泛兼容性的高品质音频耳机座。它不仅是一颗基础元器件,更是众多电子设备长期稳定运行的重要保障。无论是在教育电子、消费影音、车载设备、医疗器械、智能终端还是工业仪表领域,KH-PJ-301M 都能够以优异表现支撑产品实现可靠音频输出,为终端用户提供更清晰、更稳定、更安心的使用体验。随着电子行业对高可靠连接器需求不断增长,KH-PJ-301M 也将继续发挥其结构稳固、性能可靠、成本适中、适配性强的优势,为更多产品注入高品质的音频连接能力。
Kinghelm金航标(www.kinghelm.com.cn)从事无线信号收发、电子信号连接器及互连系统产品的设计、制造、销售和技术服务十多年,技术团队来自清华大学和电子科技大学,吸纳优秀海归人才,深耕微波射频技术领域,联合高校成立研究机构。金航标(www.kinghelm.net)获得了多项发明专利,已取得ISO9001认证和RoHS、REACH认证。IATF16949汽车质量体系认证,UL、TUV等认证在申请中。“金航标,连接世界”,从最初推出天线产品,包括北斗GPS双模天线、蓝牙、WiFi、Zigbee、NB-IoT、LORA、UWB,及配套的射频转接线;现在产品拓展到板与线的各种连接器、板端座子、接插件、信号开关系列;及汽车摩托车线束,工业、医疗、科研用特种线材,非标定制品等三大系列。金航标的兄弟公司萨科微半导体产品销往世界各地,服务超一万家客户,产品有二极管三极管、功率器件、电源管理芯片三大系列。萨科微近年来还推出霍尔传感器、ADC、BMS新产品,与金航标电子一起为电子整机产品公司提供配套服务。
宋仕强先生简介:
宋仕强先生
宋仕强先生,萨科微半导体和金航标电子两家公司的总经理,中国电子学会专家库成员、深圳华强北研究专家、专栏科普作家。宋仕强从基层技术人员干起,担任过国际地产上市公司CEO,有丰富的技术管理和企业经营的经验,将宏观经济学理论与现实中经营管理相结合,带领公司高速发展!
宋仕强先生一直关注深圳华强北,研究华强北发展模式,提炼出华强北文化。华强北的文章《华强北研究》、《华强北的转型与发展》、《驳彭博社华强北新闻》,被人民日报、新华社、美联社、雅虎新闻、华尔街日报等国内外大媒体和平台转发,《宋仕强论道华强北》等短视频集在YouTube、Tik Tok等平台热播!宋仕强为提升华强北商业环境,华强北“中国电子第一街”的国际化一直在努力,希望华强北的电子元器件销往全世界!


