技术应用
技术应用
每日一品——Kinghelm金航标旋转式编码器KH-SIQ-02FVS3:洞悉未来走向,揭秘技术亮点
2026-01-26 141

随着科技的进步,各行各业对于精确控制与高可靠性产品的需求日益增长,尤其是在电子设备、工业自动化以及消费电子领域中,旋转式编码器作为关键部件,发挥着至关重要的作用。今天,我们将重点介绍一款具有代表性的旋转编码器产品——Kinghelm金航标KH-SIQ-02FVS3微动开关编码器,它在市场上因其出色的性能与稳定性备受青睐。本文将深入探讨其技术优势、应用领域以及市场前景。

 

Kinghelm金航标KH-SIQ-02FVS3产品图

 

旋转式编码器的基本原理

旋转编码器,通常用于测量旋转角度、位置或速度,其原理是通过感应旋转轴的转动并转化为电信号。常见的旋转编码器包括增量型和绝对型编码器,分别用于不同的应用场景。增量型编码器通过计算旋转轴的转动次数来确定位移,而绝对型编码器则可以在任意时刻提供精确的位置信息,不依赖于初始化。

 

KH-SIQ-02FVS3旋转式编码开关的技术优势

Kinghelm金航标的KH-SIQ-02FVS3旋转式编码器,凭借其小巧精致的设计和卓越的性能,成为了多种工业应用中的首选之一。其主要特点和优势如下:

1. 高精度操作与可靠性

KH-SIQ-02FVS3采用了先进的微动开关技术,能够在旋转时提供精准的操作反馈。旋转扭矩仅为5mN·m(49gf·cm)或更小,这意味着它能够在较低的操作力下顺畅工作,从而提高了操作的舒适度和控制精度。与此同时,该编码器的操作力范围为3-6N(部件滑动),确保了良好的耐久性和稳定性。

2. 长寿命与高耐用性

作为一款高性能的旋转式编码器,KH-SIQ-02FVS3具备了卓越的耐久性,能够承受至少50000次循环的使用。无论是轻微的日常使用,还是长时间的工业应用,都能够保持稳定的性能。这种耐用性使得KH-SIQ-02FVS3特别适合用于对产品寿命要求较高的领域,如自动化设备、测量仪器和消费电子等。

3. 广泛的电气性能

KH-SIQ-02FVS3的电气性能也非常出色。它的额定工作电流为0.5mA,额定电压为5V DC,能够适应大多数电子设备的工作需求。此外,绝缘电阻为10 MΩ或更大,接触电阻为10Ω或更小,这不仅保证了其电气性能的稳定性,还增强了其抗干扰能力,提高了工作可靠性。

4. 优异的耐环境性能

此款编码器还具备优良的耐环境特性,耐电压可达到AC 50V。这使得它在严苛的工作环境下也能稳定运行。无论是高温、低温还是湿度变化较大的环境,KH-SIQ-02FVS3都能保持较高的稳定性,确保设备的长期无故障运行。

 

KH-SIQ-02FVS3的应用领域

旋转编码器的广泛应用使得其在多个领域中发挥着不可或缺的作用。KH-SIQ-02FVS3凭借其小型化、精准性和耐用性,已经在多个行业找到了自己的身影。

1. 工业自动化

在工业自动化中,旋转编码器主要用于位置控制和速度测量。KH-SIQ-02FVS3作为一种精密的旋转编码器,能够为各种自动化设备提供高精度的位置反馈,广泛应用于机器人控制系统、数控机床、传送带控制、输送系统等场合。

2. 消费电子

随着智能设备的普及,旋转编码器在消费电子产品中的需求不断增加。KH-SIQ-02FVS3的设计适合应用于需要高精度控制的消费电子产品中,如音量调节、光圈调节、按钮操作等。其精准的旋转反馈能够提升用户体验,使得操作更加流畅与精确。

3. 汽车电子

现代汽车电子化程度不断提高,旋转编码器在汽车的控制系统中得到了广泛应用。例如,旋转编码器可以用于汽车座椅的调节、空调控制面板的操作等。KH-SIQ-02FVS3的高耐久性和稳定性使其成为汽车电子控制系统中的理想选择。

4. 医疗设备

医疗设备对于精度和可靠性的要求非常高。KH-SIQ-02FVS3的高精度和长寿命特性,使其在医疗设备中具有广泛的应用潜力,如医用仪器的调节控制、精准测量仪器等领域。其稳定的工作性能对于确保医疗设备的准确性和可靠性至关重要。

 

旋转编码器的发展趋势

随着技术的不断进步,旋转编码器的设计和功能也在不断演进。未来的旋转编码器将更加智能化,能够通过先进的算法和传感技术提供更高精度的反馈。同时,随着工业物联网(IoT)和自动化技术的发展,旋转编码器将与其他设备实现更加紧密的互联互通,推动整个工业系统的智能化升级。

此外,旋转编码器的尺寸和重量将进一步减小,以适应更多轻便、便携设备的需求。随着需求的不断增长,旋转编码器的生产成本也有望进一步降低,从而推动其在更多领域的应用。

 

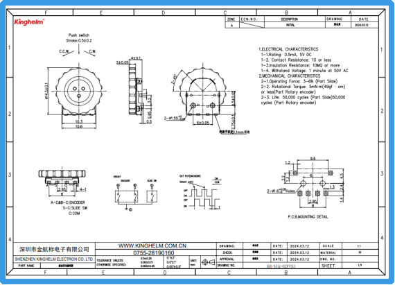
Kinghelm金航标KH-SIQ-02FVS3规格书

 

总结

Kinghelm金航标KH-SIQ-02FVS3旋转式编码开关凭借其高精度、长寿命和良好的环境适应性,在多个行业中展现了卓越的性能。无论是工业自动化、消费电子、汽车电子还是医疗设备,它都能为各类设备提供精准的控制反馈。在未来,随着技术的不断进步和应用场景的不断拓展,旋转编码器将继续在更多领域中发挥重要作用,成为智能化时代不可或缺的关键元件。

 

Kinghelm金航标(www.kinghelm.com.cn)从事无线信号收发、电子信号连接器及互连系统产品的设计、制造、销售和技术服务十多年,技术团队来自清华大学和电子科技大学,吸纳优秀海归人才,深耕微波射频技术领域,联合高校成立研究机构。金航标(www.kinghelm.net)获得了多项发明专利,已取得ISO9001认证和RoHS、REACH认证。IATF16949汽车质量体系认证,UL、TUV等认证在申请中。“金航标,连接世界”,从最初推出天线产品,包括北斗GPS双模天线、蓝牙、WiFi、Zigbee、NB-IoT、LORA、UWB,及配套的射频转接线;现在产品拓展到板与线的各种连接器、板端座子、接插件、信号开关系列;及汽车摩托车线束,工业、医疗、科研用特种线材,非标定制品等三大系列。金航标的兄弟公司萨科微半导体产品销往世界各地,服务超一万家客户,产品有二极管三极管、功率器件、电源管理芯片三大系列。萨科微近年来还推出霍尔传感器、ADC、BMS新产品,与金航标电子一起为电子整机产品公司提供配套服务。

 

宋仕强先生简介:

宋仕强先生

宋仕强先生,萨科微半导体和金航标电子两家公司的总经理,中国电子学会专家库成员、深圳华强北研究专家、专栏科普作家。宋仕强从基层技术人员干起,担任过国际地产上市公司CEO,有丰富的技术管理和企业经营的经验,将宏观经济学理论与现实中经营管理相结合,带领公司高速发展!

宋仕强先生一直关注深圳华强北,研究华强北发展模式,提炼出华强北文化。华强北的文章《华强北研究》、《华强北的转型与发展》、《驳彭博社华强北新闻》,被人民日报、新华社、美联社、雅虎新闻、华尔街日报等国内外大媒体和平台转发,《宋仕强论道华强北》等短视频集在YouTube、Tik Tok等平台热播!宋仕强为提升华强北商业环境,华强北“中国电子第一街”的国际化一直在努力,希望华强北的电子元器件销往全世界!

 

北斗/GPS天线咨询

板端座子咨询

连接器咨询

获取产品资料