服务热线
手机
内置天线是适配小型化、便携化电子设备(如手机、笔记本电脑、物联网传感器等)的关键组件,其核心特点是体积小、可隐藏于设备内部,同时需在有限空间内实现稳定的信号收发功能。以下从常见类型、核心特性、设计挑战及应用场景等方面展开详细说明:
一、常见内置天线类型及特点
内置天线的形式多样,需根据设备空间、工作频率及性能需求选择,主流类型及特性如下:
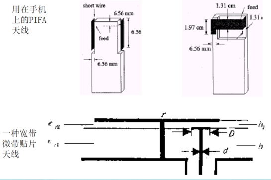
1.PIFA 天线(平面倒 F 天线)
来源:由倒 F 线天线演变而来,是当前手机、平板电脑等移动设备中应用最广泛的内置天线类型。
核心优势:体积小(可适配设备内部狭小空间)、增益较高(通常 2-5dBi)、剖面低(厚度薄,不影响设备外观)、带宽相对较宽(能覆盖多频段,如支持 3G/4G LTE/5G sub-6G、Bluetooth 等)。
工作原理:通过调整辐射单元的形状(类似 “F” 型)及与接地板的距离,优化电流分布,在小尺寸下实现高效能量转换,避免信号因空间限制大幅衰减。
2.微带贴片天线
结构:由介质基板(如陶瓷、FR4 板材)、金属贴片(辐射单元)和接地板组成,金属贴片通常为矩形、圆形等规则形状。
核心优势:结构简单、易于批量生产(可通过 PCB 工艺制作)、重量轻,适配笔记本电脑、智能手表等对重量和工艺一致性要求高的设备。
局限性:带宽较窄,需通过特殊设计(如加载缝隙、多层贴片)扩展带宽,以满足多频段通信需求。
3.IFA 天线(倒 L 天线)
结构:形似倒 “L”,由垂直段(馈电端)和水平段(辐射端)组成,依赖设备内部的接地板形成辐射回路。
核心优势:设计简单、成本低,适用于对性能要求不高、空间极度有限的设备(如部分物联网传感器、小型遥控器)。
局限性:增益较低(通常 1-3dBi)、带宽窄,易受设备内部金属部件干扰,信号稳定性略逊于 PIFA 天线。
4.陶瓷天线
分类:分为块状陶瓷天线与多层陶瓷天线(LTCC,低温共烧陶瓷天线)。
块状陶瓷天线:将整块陶瓷体一次烧结后,在表面印制金属辐射图案;
多层陶瓷天线:采用低温共烧技术,将多层陶瓷迭压对位后烧结,金属导体可印在每一层陶瓷介质层上。
核心优势:体积极小(可做到毫米级)、一致性好、抗干扰能力强,适配智能穿戴设备(如智能手环)、微型物联网模块等超小型设备。
应用场景:常作为 GPS、Bluetooth 等窄频段通信的专用天线,因其尺寸优势,能在设备内部实现 “隐形” 布局。
5.缝隙天线
结构:通过在金属接地板上开设缝隙(如矩形缝、圆形缝),利用缝隙周边的电场变化实现辐射,需搭配馈电网络激发缝隙处的电流。
核心优势:可与设备金属外壳(如手机中框)结合设计,无需额外占用独立空间,能提升设备外观完整性,辐射方向图较稳定,适合对外观和空间利用率要求高的设备。
局限性:设计复杂度高,需精确控制缝隙尺寸、形状及馈电位置,以避免与设备内部其他组件产生电磁干扰。
二、内置天线的核心特性
尺寸与集成性:体积远小于外置天线,可直接嵌入设备内部(如手机主板边缘、笔记本电脑屏幕边框),不影响设备的便携性和外观设计,符合消费电子 “轻、薄、小”的发展趋势。
性能妥协性:受限于内部空间,其性能通常存在一定妥协 —— 相比外置天线,增益更低(多数 2-5dBi,外置天线可达 5-10dBi)、带宽更窄,且易受设备内部金属部件(如电池、芯片)、电磁干扰源(如处理器)的影响,信号稳定性需通过优化设计弥补。
多频段适配性:当前内置天线需支持多频段通信(如手机天线需同时覆盖 2G/3G/4G/5G、WiFi、GPS 等频段),因此需通过多辐射单元组合、带宽扩展技术(如加载寄生单元、使用宽频介质基板),实现“单天线多频段” 功能,减少天线数量,节省内部空间。
三、内置天线的设计挑战
空间限制:设备内部可用于天线放置的区域狭小(如手机内部留给天线的空间常不足 10cm²),需在极小尺寸内平衡辐射效率、带宽与增益 —— 传统减小天线尺寸的方法(如缩短天线长度)往往以降低增益和带宽为代价,需通过电容性顶端负载、优化接地板设计等技术补偿性能损失(如 PIFA 天线通过 “顶端电容负载”替代部分长度,改善阻抗匹配)。
电磁干扰:设备内部存在大量电子元件(如 CPU、电池、摄像头模组),这些元件工作时会产生电磁信号,干扰内置天线的电流分布,导致辐射效率下降、信号杂波增多。设计时需通过“隔离区划分”(如在天线与干扰源间设置金属屏蔽层)、“接地优化”(增强接地板的信号屏蔽能力)减少干扰。
材质与工艺:天线材质需兼顾导电率与小型化需求 —— 常用铜镀镍材质(高导电率、抗腐蚀,确保长期辐射效率稳定),避免使用高碳钢等低导电率材质(易生锈,导致电阻增大,效率快速下降);同时,工艺精度要求高(如微带贴片天线的金属贴片尺寸误差需控制在 0.1mm 以内),否则会导致频率偏移,无法正常工作。
四、典型应用场景
内置天线广泛适配需隐藏天线、追求便携性的电子设备,核心应用场景包括:
移动终端:手机、平板电脑、笔记本电脑等,主要采用 PIFA 天线、微带贴片天线,支持多频段通信(如手机 PIFA 天线同时覆盖 5G sub-6G、WiFi 6、GPS);
智能穿戴设备:智能手表、智能手环,常用陶瓷天线(体积小、抗干扰),实现蓝牙、GPS 定位功能;
物联网设备:物联网传感器(如温湿度传感器、智能门锁),多采用 IFA 天线、缝隙天线,在极小空间内实现低功耗、短距离的无线通信;
消费电子:智能音箱、无线耳机,常用微带贴片天线或小型 PIFA 天线,支持 WiFi、蓝牙连接,确保设备外观简洁。




