热线
手机
随着消费电子、可穿戴设备、音频终端及工业控制类产品的持续升级,音频连接器正在向更小体积、更高可靠性、更易于自动化生产方向发展。 Kinghelm金航标KH-PJ-328-SMT是一款面向现代设备制造需求的3.5mm音频连接器(耳机插座),采用SMD封装形式, 适合自动贴片工艺,并兼容常见耳机接口标准。该产品在结构、耐温性能、安装方式和适配性方面进行了综合设计,满足主流电子设备对音频接口的使用要求。

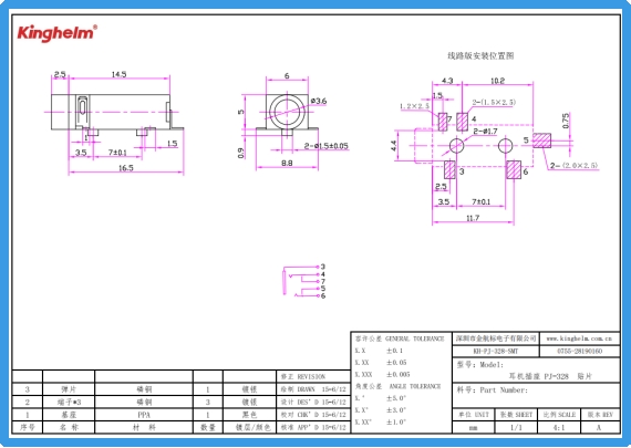
Kinghelm金航标KH-PJ-328-SMT产品图
3.5mm音频接口虽已出现多年,但在现代设计体系中仍有较高存在度。无论是便携式音频播放器、工业设备、手持机、车载电子, 还是需要稳定音频输入输出的控制设备,3.5mm插口凭借简单、无需协议、多设备适用、易于调试等特性,仍广泛部署于全球电子终端中。
随着设备小型化趋势加强,传统DIP插件方式逐渐受到局限。贴片结构的音频连接器开始成为制造端优化SMT流程、节省PCB空间、提升生产效率的重要选择, KH-PJ-328-SMT正处于这一趋势下,面向小体积终端设备的高效装配和稳定音频传输需求。
KH-PJ-328-SMT遵循通用3.5mm耳机插头接口结构,可兼容市面上较多类型的耳机、音频线缆和输入输出设备。 对于终端产品开发而言,无需设计专用音频连接协议或特殊适配结构,在实际应用、调试和维护中具有便利性。
这一设计也使设备适用于多种场景,包括:
消费型音频播放设备
多媒体终端
仪器仪表音频监测端口
车载与控制类设备
KH-PJ-328-SMT采用SMD(表面贴装器件)结构,可直接进入回流焊贴片工序,符合目前电子制造设备的主流工艺路线。 相比以往的DIP方式,该产品具备以下优势:
减少人工焊接步骤,有助于制造环节标准化。
提升装配一致性,减少手工焊接带来的工艺偏差。
贴片方式更利于设备高密度布局。
在大批量生产环境下,选择贴片式耳机连接器能够降低生产环节差异,提高生产效率。
随着设备轻量化趋势持续增强,PCB空间成本不断上升,连接器的尺寸和焊盘布局开始成为产品设计阶段的重要权衡项。 KH-PJ-328-SMT在结构中采用紧凑布局,SMD焊脚分布在底部,与传统插件式相比,可以释放更多空间用于其他器件布局。
在以下设计需求中具有适用性:
板卡尺寸受限的便携设备
对重量和装配密度敏感的手持电子
需要节省PCB工艺开窗和走线空间的设备
在回流焊过程中,连接器本体以及金属端子需承受持续高温,因此耐热能力对SMD音频连接器来说是核心指标之一。 KH-PJ-328-SMT适应常见SMT回流焊高温环境,并确保焊接完成后结构与接触性能保持稳定。
此外,其耐温能力使其不仅适用于普通消费类设备,也能用于温度波动较大的工业领域。产品在以下场景具有适配性:
连续运行的工业监测设备
需要长期音频输出或输入的控制终端
高通量生产线设备
在自动化贴片加工中,包装方式与设备兼容性同样直接影响生产效率。 KH-PJ-328-SMT采用编带包装形式,便于高速贴片机自动识别与上料,减少人工干预环节,有助于提高生产节拍及物料管理精度。
对于耳机连接器而言,材料和结构不仅影响接触电阻和使用寿命,还会决定是否能够应对插拔次数、温湿度波动、机械扭矩以及回流焊温度等条件。
从连接结构来看,音频插孔通常由金属簧片、绝缘主体及外壳构成,内部金属端子需保持一定弹性,以确保插头插入后能够产生稳定的机械定位和电气接触。在SMD结构中,为保证端子焊接牢固,端子焊盘尺寸、焊料润湿区域以及本体支撑结构都需要精细设计,以避免长期应力导致焊盘裂纹或拉脱。
此外,耐温性能意味着主体材料需要具备较高玻璃化温度(TG),焊接后不易产生软化、变形或影响端子定位,从而保证音频信号长期稳定传导。
虽然3.5mm音频连接器传输模拟信号,通常不像高速数字信号那样严格要求阻抗控制,但在长距离或存在干扰源的环境中,工程师可适当通过:
优化走线宽度与屏蔽层
缩短信号线与金属平面的距离
降低相邻高速数字走线串扰
以提高音频信号干净度与底噪控制水平。
由于该产品采用贴片焊接方式,回流焊温度曲线及焊膏工艺参数需符合产品材料耐温范围,同时需避免焊接应力对插针造成偏移。 生产中常需要注意:
确保支撑强度避免振动带来的偏移。
避免焊料堆积导致端子短接。
贴装方位与推力方向必须与设备夹持机构匹配。
在批量制造中,建议进行插拔寿命测试、端子接触阻抗测试、耐温与机械冲击测试,以验证产品在长期使用中的稳定表现,降低设计风险。
如媒体播放器、录音笔、掌上语音记录设备等,需要音频接口完成监听或录入功能。KH-PJ-328-SMT体积适中,适合此类高集成小型设备。
许多生产设备仍使用音频输出提醒操作者状态变化,接口可靠性较为重要,耐温性能在该场景中具备适配性。
车载设备长期运行,温度波动大,外部连接常处于插拔与振动的综合环境中,SMD结构可以降低焊点应力风险。
此类设备空间紧凑,对结构布局及装配稳定性有明确要求,贴片结构更有助于提高元件密度和一致性。
在制造行业中,元器件选型不止关注参数本身,还需结合供应链能力、生产节拍、维护成本、可靠性测试难度等综合因素。
KH-PJ-328-SMT采用编带包装、支持自动化贴片,能够有效降低物料进入产线的门槛,这对于大规模制造尤其重要。对于代工厂来说,统一SMD物料可降低设备切换、人员配置及生产异常处理成本,从而使制造流程更具可控性和稳定性。

Kinghelm金航标KH-PJ-328-SMT规格书
Kinghelm金航标的KH-PJ-328-SMT作为一款3.5mm贴片耳机插座,通过标准音频接口、贴片安装方式、适应回流焊温度及编带包装等设计,使其能够适应多种电子设备装配需求。 文章从结构、工艺、使用环境及生产环节等多个角度进行讨论,可为产品工程、研发测试、制造部门以及终端设备设计人员提供参考。
Kinghelm金航标(www.kinghelm.com.cn)从事无线信号收发、电子信号连接器及互连系统产品的设计、制造、销售和技术服务十多年,技术团队来自清华大学和电子科技大学,吸纳优秀海归人才,深耕微波射频技术领域,联合高校成立研究机构。金航标(www.kinghelm.net)获得了多项发明专利,已取得ISO9001认证和RoHS、REACH认证。IATF16949汽车质量体系认证,UL、TUV等认证在申请中。“金航标,连接世界”,从最初推出天线产品,包括北斗GPS双模天线、蓝牙、WiFi、Zigbee、NB-IoT、LORA、UWB,及配套的射频转接线;现在产品拓展到板与线的各种连接器、板端座子、接插件、信号开关系列;及汽车摩托车线束,工业、医疗、科研用特种线材,非标定制品等三大系列。金航标的兄弟公司萨科微半导体产品销往世界各地,服务超一万家客户,产品有二极管三极管、功率器件、电源管理芯片三大系列。萨科微近年来还推出霍尔传感器、ADC、BMS新产品,与金航标电子一起为电子整机产品公司提供配套服务。
宋仕强先生简介:
宋仕强先生
宋仕强先生,萨科微半导体和金航标电子两家公司的总经理,中国电子学会专家库成员、深圳华强北研究专家、专栏科普作家。宋仕强从基层技术人员干起,担任过国际地产上市公司CEO,有丰富的技术管理和企业经营的经验,将宏观经济学理论与现实中经营管理相结合,带领公司高速发展!
宋仕强先生一直关注深圳华强北,研究华强北发展模式,提炼出华强北文化。华强北的文章《华强北研究》、《华强北的转型与发展》、《驳彭博社华强北新闻》,被人民日报、新华社、美联社、雅虎新闻、华尔街日报等国内外大媒体和平台转发,《宋仕强论道华强北》等短视频集在YouTube、Tik Tok等平台热播!宋仕强为提升华强北商业环境,华强北“中国电子第一街”的国际化一直在努力,希望华强北的电子元器件销往全世界!


