热线
手机
在音频设备设计中,3.5mm耳机接口仍然是产业链中长期存在、兼容性优良的接口模式。尽管已经出现蓝牙、Type-C 数字音频等不同传输方式,但在许多消费电子、工业设备、教育终端、音频适配器和专业监听场景中,传统的耳机插孔仍保持应用价值。Kinghelm金航标推出的 KH-PJ-358 3.5mm音频连接器,是一款用于双声道设备的插件式耳机插座,集成开关触点结构,适用于 PCB 应用场景。本文将围绕工程视角,对该产品的机械结构、电气参数、耐久性、电路设计注意事项以及产品应用逻辑进行深入讨论。

Kinghelm金航标KH-PJ-358产品图
3.5mm音频插座在音频设备体系中的作用不仅是信号输入或输出端口,同时承担机械结构定位、信号完整性保护以及插拔动作联动的重要功能。在具备机械开关触点的型号中(如 KH-PJ-358),插入动作还会自动切换两路信号路径,使其兼容扬声器、耳机两种工作模式。这让其在小型音频系统、电路切换板和手机式音频结构中具备实用性。
从工程端分析,使用者关注的核心多来自以下几个方向:
1)结构设计能否在长期插拔中保持接触点稳定。
2)触点材料、电镀方式和压接结构对信号损耗的影响。
3)开关触点对电路系统切换的响应能力与使用寿命。
4)在焊接、波峰焊或回流焊工艺中保持可靠的板端固定。
5)在较高环境湿度、振动和运输应力下的耐受能力。
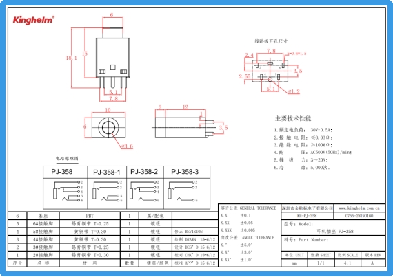
KH-PJ-358 采用插件式直插封装,其机械与材料选型更偏向于通用型控制板、功放板、消费电子控制板、电声设备和教育科技终端的设计模式。其典型定位适用于双声道音频传输,并集成一种被广泛应用的机械开关触点结构,可以在设备插入耳机的瞬间自动切断扬声器通路,从而实现音频路径转换。
从结构来看,KH-PJ-358 具备以下特征:
● 插座主体采用常规高分子工程材料,用于实现形变与长期耐磨特性。
● 插端触点布局满足 TRS/TRRS 同规格兼容性,适合常见双声道音频设备。
● 插孔保持力来自接触簧片弹性体,无需额外结构,提高稳定性。
● 开关触点通常为常闭结构,插头进入后压开触点,从而实现信号切换。
● 外壳高度、焊脚长度适合一般PCB工艺的孔径与焊盘参数。
在连接器行业中,塑胶壳体与金属端子的组合是最常见的结构搭配,通过精密注塑保证同轴度稳定,而金属触点精度则直接影响接触阻抗表现。KH-PJ-358 的接触电阻指标为 ≤0.03Ω,这一范围能够满足一般模拟音频传输需求,确保在音频基带信号链中不会造成明显衰减。
在电气性能方面,该型号具备以下参数:
额定负荷:30V · 0.5A
绝缘电阻:≥ 1000MΩ
耐压能力:AC 500VAC(50Hz)/min
接触电阻:≤ 0.03Ω
这些指标在音频传输领域并非针对传输速率,而是确保:
● 工作电流足以支持模拟音频信号以及耳机驱动端需求。
● 绝缘阻值较高,可有效降低漏电通路产生的底噪。
● 耐压指标表明其用于中低电压模拟电子设备具有良好安全余量。
● 控制接触电阻能够减轻线路串扰与信号偏移。
在工程中,许多音频底噪、爆音、杂音并非来自运放本身,而是由连接器湿度、氧化、端子接触质量不稳定引起。因此,无论是音频接口结构设计还是材料选择,其稳定接触能力往往直接影响终端声音表现。
KH-PJ-358 的一个核心特征是具备机械开关触点。当耳机未插入时,触点连接扬声器放大电路;插入后,触点分离并切换到耳机输出。这类结构在:
● 手机音频电路
● 教学电子设备
● 小型广播系统
● 工控语音输出
● 扬声器与耳机双模式设备
● 自助设备语音输出模块
中十分常见,能够降低系统复杂度,无需 MCU 监测判定动作,也不依赖音频检测芯片。工程师在应用该开关型插座时通常需要考虑以下问题:
1)扬声器与耳机端是否存在电平差。
2)耳机插入瞬间的电容充放电是否需要做缓启动电路。
3)是否加入负载检测电路,判断插入耳机阻值。
4)扬声器功放是否需要安排静音脚逻辑。
5)线路切换过程中是否需要 RC 缓冲避免“噼啪声”。
由于 KH-PJ-358 采用插件式直插脚结构,其焊接方式适用于波峰焊工艺。在设计阶段,可以参考以下工艺细节:
● 焊脚直径需匹配孔径,确保焊料填充充分。
● 插件式结构对机械抗拉能力更强,适合有插拔力的使用场景。
● 若要求通过回流焊,则需配置带定位金属片结构的贴片式插座。
● 结构中建议加定位孔或加固铜皮,提升抗外力能力。
在安装过程中,插件插座可能承受反复机械外力。因此,PCB层叠、焊盘、孔铜、加强区应进行优化,以降低焊盘脱落风险。若使用厚板或沉金工艺,需要注意孔壁镀层均匀性,避免因内壁应力集中导致虚焊。
音频连接器由于长时间暴露在外部环境,常常面临汗液、潮气、空气中盐分、低频振动等问题。高端耳机接口甚至会加入密封结构提升耐久。但多数通用型模型(包括 KH-PJ-358)仍以电镀端子、精密机械弹片作为主要防护手段。
工程中常见可靠性应对措施包括:
● 在外壳设计中增加定位筋提高强度。
● 采用电镀镍、镀锡或镀金以降低氧化导致的接触失效。
● 对户外设备增加硅胶环密封。
● 在 PCB 端使用三防涂覆材料。
● 在振动较强设备中使用螺栓或塑胶柱结构加强固定。
这些措施有助于提升产品在长期使用中的接触稳定性,降低因湿度和振动带来的信号波动。
即便音频生态的数字化程度不断提升,3.5mm耳机连接器仍在多个设备类型中拥有稳定地位。例如:
● 专业录音设备仍偏好模拟通道,延迟可预测。
● 工控设备依旧以模拟音频作为报警或语音输出。
● K12教育电子产品仍大规模保留耳机孔。
● 汽车、医疗与办公产品中数字接口并未全面替代模拟输出。
这种现象从工程维度看,是因为模拟音频接口具备:
● 不依赖协议,通用性强。
● 设备链路清晰,调试方式直观。
● 在低成本设备中减少芯片使用,利于控制 BOM。
● 延迟、稳定性、环境干扰方式可控。
因此,像 KH-PJ-358 这类标准化、接口规格一致、易替换的零部件仍然长期存在于生产体系中。
工程师在选型 KH-PJ-358 时可结合以下场景需求:
● 双声道耳机耳麦输出
● 便携式播放器音频接口
● 工业语音播报主板音频通道
● 多媒体教学设备耳机接口
● 便携对讲终端耳机插座
● 主板与触控模组音频扩展接口
由于其具备机械开关触点,也能用于集成式扬声器或监听切换方案,实现无需控制逻辑的被动式音频路径切换。

Kinghelm金航标KH-PJ-358规格书
像Kinghelm金航标 KH-PJ-358 这样的 3.5mm音频连接器,看似简单,却在设备电子工程中承担着基础而关键的角色。其金属触点结构、塑胶壳体、机械开关、电气耐受能力都影响系统整体表现。对于工程人员而言,深入理解其电气参数、机械寿命、焊接工艺和系统切换方式,有助于降低音频底噪、减少现场返修,提高产品在批量生产与长期运行中的稳定性。
Kinghelm金航标(www.kinghelm.com.cn)从事无线信号收发、电子信号连接器及互连系统产品的设计、制造、销售和技术服务十多年,技术团队来自清华大学和电子科技大学,吸纳优秀海归人才,深耕微波射频技术领域,联合高校成立研究机构。金航标(www.kinghelm.net)获得了多项发明专利,已取得ISO9001认证和RoHS、REACH认证。IATF16949汽车质量体系认证,UL、TUV等认证在申请中。“金航标,连接世界”,从最初推出天线产品,包括北斗GPS双模天线、蓝牙、WiFi、Zigbee、NB-IoT、LORA、UWB,及配套的射频转接线;现在产品拓展到板与线的各种连接器、板端座子、接插件、信号开关系列;及汽车摩托车线束,工业、医疗、科研用特种线材,非标定制品等三大系列。金航标的兄弟公司萨科微半导体产品销往世界各地,服务超一万家客户,产品有二极管三极管、功率器件、电源管理芯片三大系列。萨科微近年来还推出霍尔传感器、ADC、BMS新产品,与金航标电子一起为电子整机产品公司提供配套服务。
宋仕强先生简介:
宋仕强先生
宋仕强先生,萨科微半导体和金航标电子两家公司的总经理,中国电子学会专家库成员、深圳华强北研究专家、专栏科普作家。宋仕强从基层技术人员干起,担任过国际地产上市公司CEO,有丰富的技术管理和企业经营的经验,将宏观经济学理论与现实中经营管理相结合,带领公司高速发展!
宋仕强先生一直关注深圳华强北,研究华强北发展模式,提炼出华强北文化。华强北的文章《华强北研究》、《华强北的转型与发展》、《驳彭博社华强北新闻》,被人民日报、新华社、美联社、雅虎新闻、华尔街日报等国内外大媒体和平台转发,《宋仕强论道华强北》等短视频集在YouTube、Tik Tok等平台热播!宋仕强为提升华强北商业环境,华强北“中国电子第一街”的国际化一直在努力,希望华强北的电子元器件销往全世界!


